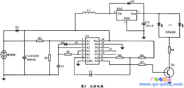
太阳能草坪灯工作原理:太阳能光电板吸收阳光---对电池充电作为供电源---光控开关控制灯在天黑时点亮---高效光源(如LED灯或节能灯)。太阳能太阳灯的工作原理与太阳能

采用超级电容和集成的DC-DC芯片的太阳灯能
600x289 - 26KB - JPEG

电路板绝缘麦拉片,太阳灯麦拉片,电源绝缘片,青
1024x576 - 82KB - JPEG

led小太阳灯电路板 led灯板 led太阳灯铝基板 车
233x310 - 15KB - JPEG

江苏泰州太阳灯草坪灯线路板 PCB电路板厂家
600x552 - 64KB - JPEG

氙气灯-XQ750W,老化试验灯,太阳灯,球形氙灯
1200x900 - 107KB - JPEG

吊式红外线五头灯太阳灯烤头灯美发加速机器烘
303x310 - 31KB - JPEG

太阳能草坪灯IC,外围电路仅一电感_太阳能灯IC
693x587 - 63KB - JPEG

【LED灯板 小太阳板 三珠板 驱动电路板 小太阳
521x492 - 82KB - JPEG

江苏泰州供应太阳灯草坪灯线路板 PCB电路板
500x400 - 40KB - JPEG

农用车氙气灯收割机灯三轮车拖拉机大灯强光灯
460x345 - 73KB - JPEG

工地太阳灯怎么接
500x251 - 12KB - JPEG

12V摩托车48V电动车灯超亮射灯前大灯超亮改
310x310 - 26KB - JPEG

寻铁心低频机制作资料
640x480 - 32KB - JPEG

淘宝聚划算购物太阳灯包邮新款风火轮灯 太阳
800x800 - 236KB - JPEG

太阳能草坪灯IC,外围电路仅一电感_太阳能灯IC
503x446 - 63KB - JPEG