求篮球赛24秒如何计时要十分详细比如争球后技术犯规后从你的队员持球开始计算如果被抢断就算对方24秒时间一般的就是持球以后到你投篮只允许24秒的持球时间如果在

文章- 试题3.40篮球比赛计时计分器程序设计
1008x720 - 45KB - PNG

自由篮球全民狂欢倒计时 白色情人节许愿特殊
640x406 - 46KB - JPEG

篮球比赛计时器(YX-1型)
647x573 - 53KB - JPEG

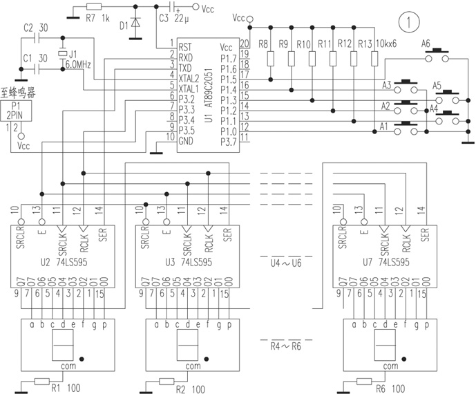
用单片机制作的篮球比赛计时器 - 51单片机
689x570 - 96KB - JPEG

篮球赛计时计分器|2016篮球计时计分系统LED
766x448 - 42KB - PNG

篮球书_nba篮球架_篮球计时器_ eb篮球架 - 下
1230x1110 - 327KB - JPEG

24秒篮球计时器 篮球计时计分器-范文大全-就爱
664x693 - 45KB - JPEG

篮球计时记分系统原理图 - 嵌入式类电子电路图
780x520 - 75KB - JPEG

篮球比赛计时记分裁判器材图片,篮球比赛计时
700x525 - 50KB - JPEG

用于单片机设计篮球计时计分器
500x323 - 34KB - JPEG

篮球比赛记分牌牌子好不好 篮球比赛计时计分
500x343 - 32KB - JPEG

名称:篮球比赛计时器
647x573 - 56KB - JPEG

篮球计时器_篮球比赛计时钟_篮球24秒计时器
674x681 - 95KB - JPEG

篮球书_nba篮球架_篮球计时器_ eb篮球架 - 下
800x800 - 177KB - JPEG

篮球电子计时计分器_篮球计分牌_篮球比赛计
589x589 - 107KB - JPEG