金属探测器原理与制作 简单生活时代|2018-06-30 |举报 共享文档 共享文档是百度文库用户免费上传的可与其他用户免费共享的文档,具体共享方式由上传人自由设定。了解文

金属探测器制作设计与原理分析实例
625x290 - 39KB - JPEG

简易金属探测器的制作方法
600x412 - 55KB - GIF

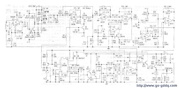
tc系列金属探测器工作原理分析
758x378 - 65KB - JPEG

高频振荡金属探测器制作
490x251 - 11KB - GIF

高频振荡金属探测器电路设计分析及工作原理_
490x251 - 13KB - GIF

【金属探测器-防盗报警:金属探测器的原理与制
496x266 - 30KB - JPEG

TC系列金属探测器工作原理分析-广电电器网-w
758x378 - 65KB - JPEG

金属探测器制作设计与原理分析实例
440x281 - 18KB - JPEG

本金属探测器原理的用途举例一:如果要
623x283 - 40KB - JPEG

安检探测器-专业手持式金属探测器焊接原件板
1024x576 - 153KB - JPEG

TM88型金属探测器原理图
1290x849 - 229KB - JPEG

【转载】DIY简单的金属探测器适合初学者 - D
329x262 - 14KB - JPEG

~新款上市~顶级脉冲技术地下金属探测器~诚招
500x667 - 76KB - JPEG

金属探测器制作设计与原理分析实例_金桥电子
440x281 - 20KB - JPEG

金属探测器制作设计与原理分析实例-广电电器
625x290 - 39KB - JPEG