开关电源的主要电路是由输入电磁干扰滤波器(EMI)、整流滤波电路、功率变换电路、PWM控制电路、输出整流滤波电路组成。辅助电路有输入过欠压保护电路、输出. 2017-1

入门级神器 终极者灵马骑士电源评测
500x375 - 60KB - JPEG

供应深圳POWER开关电源芯片TNY280G(电源
800x600 - 73KB - JPEG
![[图]供应开关电源芯片SD4843P,维库电子市场](http://www.dzsc.com/uploadfile/company/230794/b2012817141749126.jpg)
[图]供应开关电源芯片SD4843P,维库电子市场
800x595 - 32KB - JPEG

【CX7124 高精度原边反馈开关电源芯片】
1919x1077 - 251KB - JPEG

求开关电源电路图?
766x474 - 97KB - JPEG

供应大功率降压开关电源芯片
611x437 - 39KB - JPEG

开关电源芯片UC3842、3843、3844、3845区
750x482 - 77KB - JPEG

图】3844开关电源电路图开关稳压电源电路图
800x507 - 81KB - GIF

液晶显示器常用开关电源管理芯片介绍及维修(
3121x1518 - 413KB - JPEG

液晶显示器常用开关电源管理芯片介绍及维修(
3153x1511 - 333KB - JPEG

tl494开关电源电路图
769x599 - 252KB - JPEG
开关电源芯片LD7575资料及应用线路_伟云科
690x423 - 43KB - JPEG

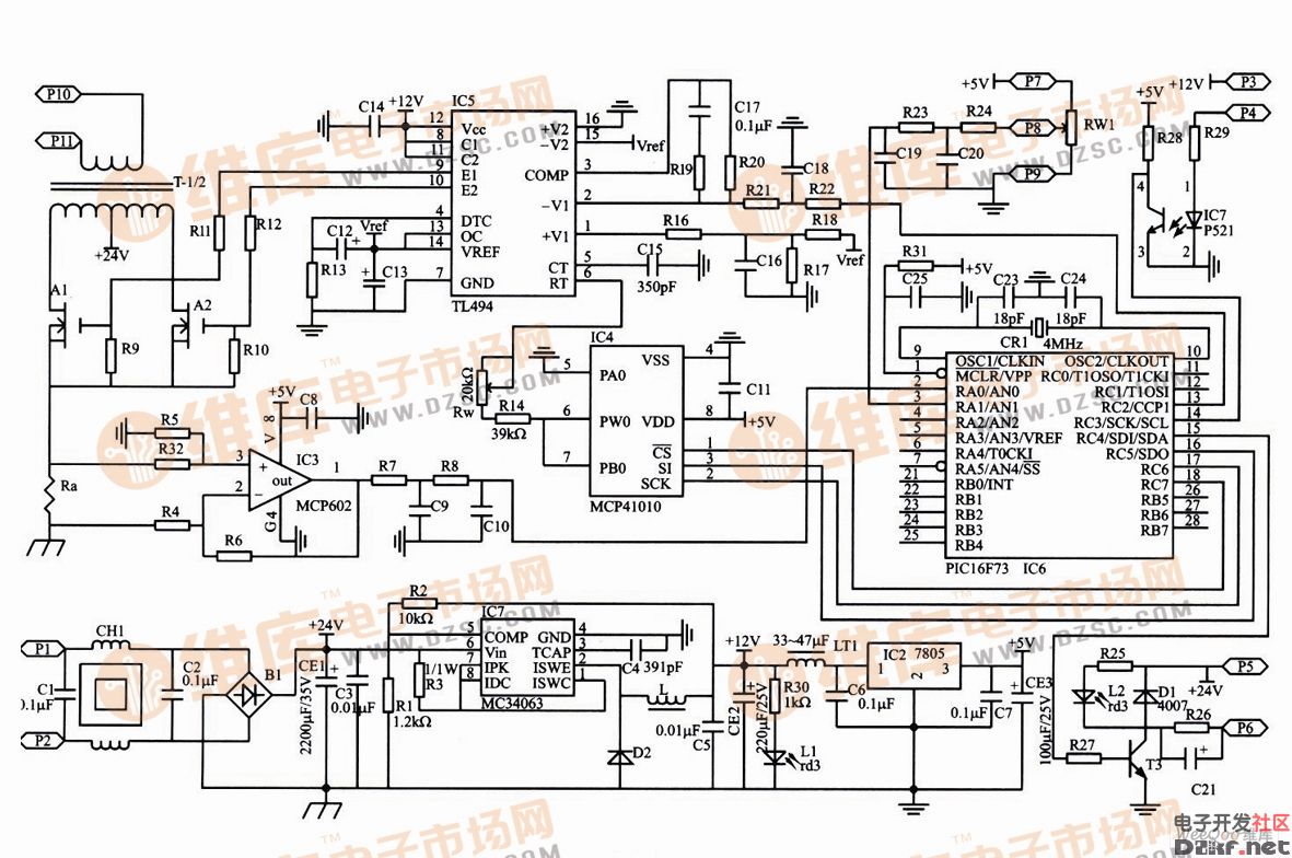
基于DC-DC控制芯片的开关电源电路图
1181x784 - 174KB - JPEG

【电子开关芯片】最新最全电子开关芯片 产品
220x213 - 15KB - JPEG
PN8112电源块 开关电源芯片PN81.@红叶201
658x435 - 91KB - JPEG