该驱动器有别于以往的液态电解容器,容易因为气温而影响光输出,其固态电解容器较能承受巨大的温差,也不会有发光不均匀的问题。而LED变压器是由铁和铜线组成,相较现下

LED内置昌光灯电源驱动 LED日光灯驱动器图
1024x768 - 150KB - JPEG

led灯驱动器品牌_led灯驱动器坏了咋办_钟爱阁
508x220 - 10KB - JPEG

led驱动电源恒流源_led电源驱动器恒流_led灯
640x480 - 115KB - JPEG

5个灯的led闪光灯驱动器电路
403x278 - 28KB - JPEG

led灯驱动器恒流源_led灯ic恒流驱动电源_led灯
600x600 - 163KB - JPEG
gu10灯驱动器的led驱动器可以使用此电路
688x381 - 44KB - JPEG

36W+LED灯驱动器工作原理分析-广电电器网
1115x606 - 105KB - JPEG

【led电源驱动器】价格
1150x862 - 75KB - JPEG
LED驱动器,优质厂家现货|东商网
667x409 - 55KB - JPEG

led驱动电源12-18w_led灯电源驱动器12-18w_
1000x1000 - 445KB - JPEG

5个灯的LED闪光灯驱动器电路
403x278 - 24KB - JPEG

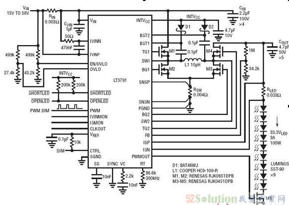
LED 汽车前照灯驱动器设计方案,解决方案
582x414 - 46KB - JPEG

led恒流驱动电源大功率LED节能灯配件4-5W恒
310x266 - 10KB - JPEG

大功率LED灯12V恒流驱动器如何改装,增加电
922x541 - 150KB - JPEG

led灯电源驱动器8-12w_led驱动电源12-18w_le
750x750 - 100KB - JPEG