塑料管有热塑性塑料管和热固性塑料管两大类。热塑性塑料管采用的主要树脂有聚氯乙烯树脂(PVC)、聚乙烯树脂(PE)、聚丙烯树脂(PP)、聚苯乙烯树脂(PS)、丙烯Jing-丁二烯

玻璃纤维增强塑料管(纤维缠绕增强热固性树脂
542x355 - 36KB - JPEG

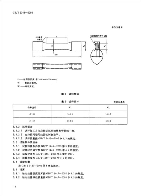
纤维增强热固性塑料管轴向拉伸性能试验方法(
450x626 - 31KB - JPEG

GBT534905纤维增强热固性塑料管轴向拉伸性
528x795 - 28KB - PNG

纤维增强热固性塑料管轴向拉伸性能试验方法(
354x500 - 22KB - JPEG

GB\/T 5350-2005 纤维增强热固性塑料管轴向压
200x200 - 8KB - JPEG

试验机-厂家生产供应 供应纤维增强热固性塑料
250x261 - 9KB - JPEG

《GB\/T 5350-2005 纤维增强热固性塑料管轴向
800x800 - 118KB - JPEG

纤维增强热固性塑料管拉力试验机,纤维增强热
504x594 - 243KB - PNG

纤维增强热固性塑料管轴向压缩性能试验方法优
404x640 - 18KB - JPEG

纤维增强热固性塑料管轴向拉伸性能试验方法(
450x700 - 51KB - JPEG

纤维增强热固性塑料管平行板外载性能试验方法
450x646 - 43KB - JPEG

纤维增强热固性塑料管轴向压缩性能试验方法(
450x652 - 47KB - JPEG

纤维增强热固性塑料管轴向压缩性能试验方法(
450x689 - 47KB - JPEG

纤维增强热固性塑料管平行板外载性能试验方法
450x654 - 46KB - JPEG

纤维增强热固性塑料管短时水压失效压力试验方
450x644 - 39KB - JPEG