电容式触摸按键控制芯片,触摸按键控制芯片,触控芯片,电容式触摸IC,触摸IC设计,触摸按键解决方案 芯邦科技推出新一代免晶振U盘控制芯片CBM2098E 芯片产业步入新黄金十

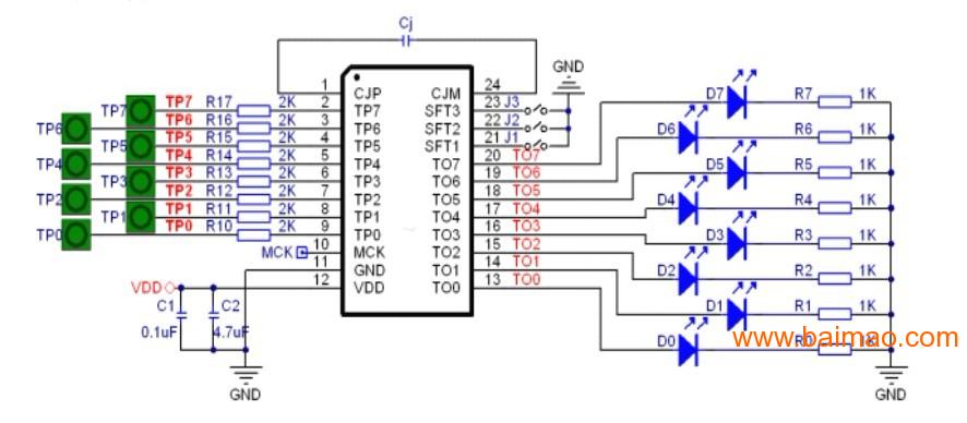
CBM7026 电容式触摸按键控制芯片 芯邦触摸I
1192x780 - 183KB - JPEG

【【LED灯触摸调光开关控制芯片】泉芯 QX6
723x1024 - 45KB - JPEG

回收触摸控制芯片回收触摸感应芯片信息,回收
800x599 - 39KB - JPEG

音乐芯片触摸延时灯控制电路图
497x490 - 93KB - JPEG

CBM6004 芯邦四通道电容式触摸控制芯片优势
400x300 - 34KB - JPEG

触摸屏控制器芯片中的高精度低功耗ADC设计
499x224 - 32KB - JPEG

【双通道LED台灯触摸控制芯片1-5.5V工作电压
321x240 - 36KB - PNG

音乐芯片触摸延时灯控制电路图
497x490 - 122KB - JPEG

【RH6030 单通道触摸开关控制芯片 集成电路
677x873 - 74KB - JPEG

排线上的触摸屏控制器芯片_摩托罗拉MOTO X
800x600 - 321KB - JPEG

XT535从开箱到拆解系列评测3-分离主板(全高
3648x2736 - 411KB - JPEG

电容式触摸开关芯片 4路输出 SJT5104 4路控制
1052x673 - 82KB - JPEG

8通道触摸感应的触摸控制芯片GS1088,8通道
886x388 - 48KB - JPEG

原装 AD7879WACPZ AD7879 触摸控制芯片 L
400x400 - 20KB - JPEG

电容式触摸控制芯片实现便携产品轻薄设计_触
500x472 - 27KB - JPEG