LCD Driver IC封装实物 联系人:闫世亮 电话:021-61657008*8006 手机:139 1742 3870 传真:021-61657006 邮箱:yansl@ictek.com.cn 联系人:张明 电话:021-61657008*8008 手机

LC75844M:1\/4 Duty LCD Display Driver_BDTI
499x510 - 36KB - JPEG

LC75852W:1\/2 Duty LCD Display Driver with K
494x400 - 40KB - JPEG

3E:1\/3, 1\/4 Duty General-Purpose LCD Driver_
499x443 - 40KB - JPEG

LC79401KNE:Dot-Matrix LCD Driver_BDTIC代
553x521 - 46KB - JPEG

LC75812PT:1\/8, 1\/9 Duty Dot-matrix LCD Con
464x508 - 41KB - JPEG

LC79430KNE:Dot-Matrix LCD Driver_BDTIC代
554x526 - 46KB - JPEG

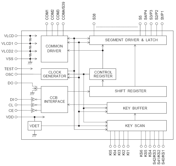
LC75806PT:1\/4, 1\/3 Duty LCD Driver with Key
360x385 - 27KB - JPEG

LC75857W:1\/4 Duty 1\/3 Duty LCD Display Dri
734x693 - 75KB - JPEG

LC75836W:1\/4 Duty LCD Display Driver_BDT
453x490 - 40KB - JPEG

LC75814V: 1\/4 Duty LCD Display Driver_BDT
496x418 - 35KB - JPEG

LC75833E:1\/3 Duty LCD Display Driver_BDTI
557x362 - 37KB - JPEG

LC75818PT:1\/8 to 1\/10 Duty Dot-matrix LCD C
441x455 - 32KB - JPEG

LC75886PW:1\/4 Duty, 1\/3 Duty LCD Driver wit
463x517 - 43KB - JPEG

LC450029PKB:1\/4, 1\/3 Duty LCD Display Driv
533x443 - 41KB - JPEG

\/4 duty and Static Drive General Purpose LCD
473x514 - 38KB - JPEG