技术参数直热式热风炉直热式热风炉又叫手烧炉适用于高湿物料且处理量小的烘干机生产线。直热式热风炉是利用外界自然风在热风炉周壁循环

热风炉原理与技术
325x460 - 32KB - JPEG

热风炉原理与技术1
800x563 - 19KB - JPEG

燃煤热风炉在全国各地区具有独特的优势
744x457 - 91KB - JPEG

鸡舍热风炉的技术原理
360x480 - 29KB - JPEG

热风炉原理与技术图片
800x800 - 89KB - JPEG

热风炉原理与技术2+-cad之家
800x562 - 27KB - JPEG

工作原理+jrf系列+燃煤热风炉集燃烧与换热为一
524x273 - 26KB - JPEG

热风炉原理与技术3
800x561 - 43KB - JPEG

热风炉原理与技术性价比 热风3q按扣长钱包质
600x600 - 108KB - JPEG

热风炉原理与技术性价比 热风3q按扣长钱包质
500x500 - 16KB - JPEG

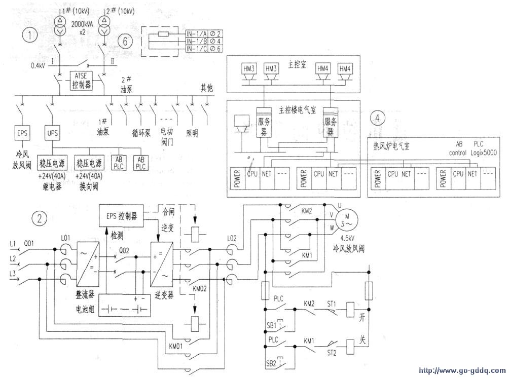
2500m3高炉热风炉三电自动化系统原理分析
1006x746 - 96KB - JPEG

热风炉原理与技术性价比 热风3q按扣长钱包质
336x216 - 11KB - GIF

【热风炉的主要结构特点】-黄页88网
300x225 - 14KB - JPEG

列管式高温热风炉_辽宁东大粉体工程技术有限
300x300 - 11KB - JPEG

热风炉原理与技术性价比 nfc技术原理与应用质
400x404 - 25KB - JPEG