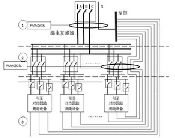
阿里巴巴安科瑞电气 ARCM200L-J4T4一拖四剩余电流探测器可带4路温度检测,其他低 5 系统施工、安装与调试 系统的施工,应按照批准的工程设计文件和施工技术方案进行,

电气火灾监控系统安装与调试技术_数据中心_
596x317 - 93KB - JPEG

供应施耐德WEFPT-63ZR剩余电流电气火灾监
680x561 - 64KB - JPEG

【4路火灾报警控制器剩余电流火灾报警监控器
710x450 - 35KB - JPEG

上海零线EF-ACS 剩余电流式电气火灾监控探测
640x480 - 62KB - JPEG

火警探测-厂家生产供应 剩余电流式电气火灾监
250x184 - 9KB - JPEG

青岛烟台地区电气火灾监控系统探测器生产供应
595x552 - 45KB - JPEG

电气火灾监控系统安装与调试技术 - 资讯中心
532x326 - 30KB - JPEG

商城商场电气火灾监控探测仪,电气火灾监控设
650x650 - 241KB - JPEG

电气火灾探测器控制器,剩余电流互感器有哪些
650x650 - 113KB - JPEG

多分支剩余电流电气火灾监控系统探测器规格型
250x250 - 4KB - JPEG

电气火灾监控系统安装与调试技术_数据中心_
590x465 - 143KB - JPEG

多分支剩余电流式电气火灾监控系统生产厂家
310x190 - 8KB - JPEG

电气火灾监控系统安装与调试技术_千家楼宇自
370x353 - 44KB - PNG

电气火灾监控系统生产供应 商店专用探测器安
230x275 - 7KB - JPEG

电气火灾监控系统安装与调试技术_千家网
627x390 - 67KB - PNG