循环水补水标准内容来自筑龙网与循环水补水标准内容来自与之相关的精品资料、博文热帖、培训课程等。更多循环水补水标准相关资料请访问日更新500篇的筑龙优搜库! 循

循环水的水质和补水水质都有哪些国标规范
600x437 - 72KB - JPEG

循环水处理加药日常操作规范-技术文章
765x444 - 70KB - PNG

【中央空调循环水系统杀菌灭藻之全程综合水处
409x472 - 23KB - JPEG

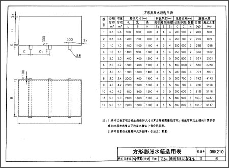
05K210采暖空调循环水系统定压--暖通动力专
450x331 - 34KB - JPEG

【转帖】水源热泵制冷机房设计图片-筑龙暖通
600x800 - 157KB - JPEG

定压补水装置安装图:自动补水装置:压风自救装
268x240 - 14KB - JPEG

【北京囊式隔膜气压罐稳压罐定压补水装置】_
165x220 - 9KB - JPEG

【低区自动补水定压装置】_低区自动补水定压
477x608 - 29KB - JPEG

【北京囊式隔膜气压罐稳压罐定压补水装置】_
402x302 - 11KB - JPEG

【低区自动补水定压装置】_低区自动补水定压
368x278 - 13KB - JPEG

供应定压自动补水装置与落地式膨胀水箱供水设
588x575 - 107KB - JPEG

化工装置流程图大放送!(5) -标准资料网
600x459 - 30KB - JPEG

青海冷盐水管支撑块-冷盐水管吊码标准
300x300 - 17KB - JPEG

【科普】燃气壁挂炉=燃气热水器+全屋取暖气
300x235 - 12KB - JPEG

某商场风冷热泵机组图纸_免费VIP免费下载
560x311 - 50KB - JPEG