阿里巴巴为您找到863条关于do-214aa二极管生产商的工商注册年份、员工人数、年营业额、信用记录、主营产品、相关do-214aa二极管产品的供求信息、交易记录等企业详

快恢复二极管 US2G ES2G DO-214AA SMB
314x331 - 17KB - JPEG

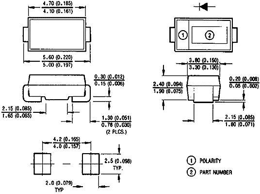
DO-214AA DO214AA SMB538 SMB537 SMB
536x399 - 82KB - JPEG

1SMA4744 15V SMA DO-214AA 贴片齐纳二极
640x640 - 58KB - JPEG

DO-214AA封装硕凯瞬态抑制二极管SACB系列
1351x569 - 102KB - JPEG

【贴片二极管UF2D封装DO-214AA 2A200V50
257x210 - 4KB - JPEG

贴片 整流二极管 s2a 2a 50v smb do-214aa
595x825 - 104KB - JPEG

贴片肖特基整流二极管 SS34 SMB\/DO-214AA
453x268 - 13KB - JPEG

东芝 SK34 肖特基贴片二极管 SMA(DO-214AC
312x260 - 9KB - JPEG

SMBJ20CA瞬态抑制二极管DO-214AA封装厂
750x394 - 44KB - JPEG

【贴片TVS瞬变抑制二极管SMBJ5.0A DO-214
213x210 - 4KB - JPEG

硕凯DO-214AA封装TVS二极管P6SMB47CA_
500x500 - 35KB - JPEG

东芝 RS1M 快恢复贴片二极管 SMA(DO-214A
309x232 - 38KB - PNG

硕凯DO-214AA封装瞬态抑制二极管P6SMB系
748x429 - 56KB - JPEG

东芝 SS32 肖特基贴片二极管 SMB(DO-214AA
312x311 - 17KB - JPEG
2.jpg)
TVS瞬态抑制二极管SMBJ40A DO-214AA SM
313x285 - 148KB - PNG