宁波海曙富成电子有限公司(https://nbhsfcdz.cn.china.cn)主营产品包括三端稳压、二极管、光耦、单片机等,宁波海曙富成电子有限公司负责人斯先生,宁波海曙富成电子有限

三端稳压二极管,功率稳压二极管,1N4752A-G,1
250x310 - 7KB - JPEG

二极管-热销供应 L7805CV大芯片三端稳压管
978x750 - 69KB - JPEG

三端稳压管LM78 LM79 L78 L79 AMS1117 XC
1000x681 - 195KB - JPEG

欢迎_三极管\二极管\三端稳压电路\场效应管\可
800x600 - 42KB - JPEG

三端稳压KA7805 - 国产原装 (中国 广东省 贸易
1024x768 - 267KB - JPEG

二极管-全新ST三端稳压IC L7918 L7818CV LM
290x238 - 19KB - JPEG

二极管-全新ST三端稳压IC L7915 L7815CV LM
220x218 - 15KB - JPEG

CW78M12CK稳压器 稳压二极管 三端稳压器现
640x480 - 35KB - JPEG

二极管-可调三端稳压器 LM317T 稳压电源 绝非
400x400 - 27KB - JPEG

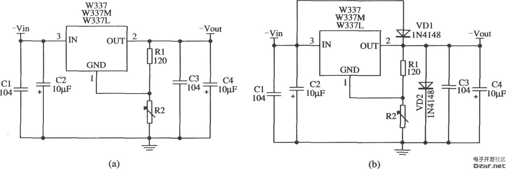
三端可调负集成稳压器W337L\/W337M\/W337的
1674x559 - 77KB - JPEG

二极管-热销供应 L7805CV大芯片三端稳压管
1000x750 - 102KB - JPEG

vd1为保护二极管,防止稳压器输出端短路而损坏
521x246 - 5KB - GIF

TL431A,TL431B系列中文资料(三端可编程并联
360x303 - 15KB - JPEG

L7805CV三端稳压二极管,现货原装热卖 - L780
678x905 - 125KB - JPEG

二极管-供应全新原装正品三端稳压管CJ78M0
800x600 - 31KB - JPEG