大,应尽量不通过光耦实现反馈。此外,使用这类光耦必须注意设计外围参数,使其工作在 比较宽的线性带内,否则电路对运行参数的敏感度太强,不利于电路的稳定工作。 通常选择

光耦坏了可以直接接通电路吗?
600x383 - 70KB - PNG

p521光耦的驱动电路
500x253 - 27KB - JPEG

是采用光耦隔离电路
379x264 - 21KB - JPEG

这个光耦电路输入输出之间是什么关系
695x306 - 26KB - JPEG

单总线光耦隔离电路图
408x200 - 9KB - PNG

几种常见光耦电路(附设计图)
348x240 - 34KB - JPEG
光耦用作固体继电器的电路图
690x297 - 28KB - JPEG

基于CAN总线的电梯主控系统软硬件设计 - 控制
531x254 - 13KB - JPEG

单线双向通信的光耦隔离(电路图) - 维库电子市
470x292 - 53KB - PNG

【图】开关电源的光耦输出方式电路图开关稳压
600x296 - 24KB - GIF

下面是一个光耦隔离电路的原理图,左边一半看
574x323 - 35KB - JPEG

单线双向通信的光耦隔离(电路图) - 维库电子市
617x290 - 210KB - PNG

光耦隔离输出驱动电路图
550x273 - 14KB - GIF

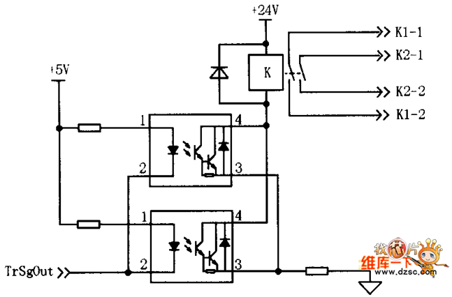
双光耦驱动电路图
647x426 - 23KB - GIF

图】双光耦驱动电路图综合电路电路图维库电子
647x426 - 23KB - GIF