
热敏电阻自动控温电路图
515x495 - 83KB - JPEG

热敏电阻自动控温电路图
515x495 - 106KB - JPEG

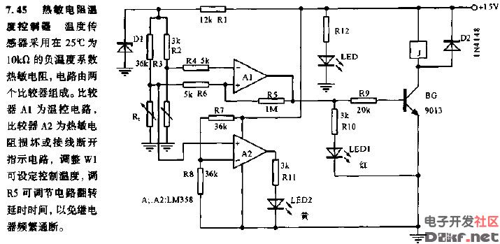
热敏电阻温度控制器电路
715x349 - 57KB - JPEG

负温度系数热敏电阻器测温控温电路图
390x272 - 58KB - JPEG

文章- 由NTC热敏电阻器构成的简单温控电路的
528x310 - 66KB - JPEG

热敏电阻自动控温电路
699x608 - 135KB - JPEG

MZ60型热敏电阻器温控控制电路图-电子电路图
417x327 - 38KB - JPEG

负温度系数热敏电阻器测温控温电路图-电子电
390x272 - 32KB - JPEG

【图】采用ptc热敏电阻控制led电流电路温控电
900x537 - 147KB - JPEG

热敏电阻温度控制器电路
715x349 - 71KB - JPEG

MZ60型热敏电阻器温控控制电路图-电子电路图
234x169 - 9KB - JPEG
负温度系数热敏电阻器测温控温电路
390x272 - 60KB - JPEG

最简单嘅温控风扇改造
353x370 - 25KB - JPEG

如果我现在做温度补偿电路,热敏电阻式2.25k.给
600x389 - 32KB - JPEG

文章- 由NTC热敏电阻器构成的简单温控电路的
668x499 - 69KB - JPEG