看过《消防报警按钮接线图_消防手动报警按钮接线》的人还看了以下文章 (www.dgzj.com)版权所有 鲁ICP备13025858号鲁公网安备37021202000327号 消防报警按钮接线图

消防弱电接线图+-+已回答
500x229 - 13KB - JPEG

请问这个消防按钮正常打开时什么样?
600x600 - 37KB - JPEG

烟\/感温\/手报\/消火栓按钮\/模块\/楼显\/火灾报警控
600x385 - 30KB - JPEG
J-SAP-M-LD2000EN手动火灾报警按钮 利达华
280x210 - 91KB - JPEG

消防手动报警器接线图_手动报警按钮接线图_
342x220 - 17KB - JPEG

报警按钮
604x502 - 56KB - JPEG

【消防开关警铃开关火警报警器手报开关手动复
790x464 - 40KB - JPEG

江森消火栓报警按钮M500H接线图,另售江森、
423x400 - 29KB - JPEG

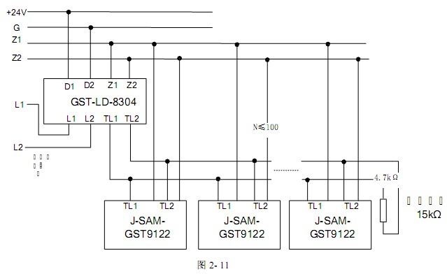
具体见图2-11所示(最末端报警
639x392 - 36KB - JPEG

桂安消防警铃按钮 手动报警按钮 手动按钮 报警
650x650 - 63KB - JPEG
![[折扣]手动报警消防按钮正品 手动报警按钮接线](http://img4.tbcdn.cn/tfscom/i4/TB1VCkhIFXXXXXZXVXXXXXXXXXX_!!0-item_pic.jpg_284x284.jpg)
[折扣]手动报警消防按钮正品 手动报警按钮接线
213x284 - 7KB - JPEG
J-SAM-GST9122手动火灾报警按钮 海湾J-SAM
280x210 - 86KB - JPEG

消防手动报警器接线图_手动报警按钮接线图_
446x220 - 12KB - JPEG

J-SAP-M-M900K手动火灾报警按钮 盛赛尔手报
500x420 - 29KB - JPEG
J-SAM-GST9123消火栓按钮 海湾J-SAM-GST
280x210 - 84KB - JPEG