驱动陶瓷扬声器的放大器电路与驱动传统电动式扬声器的放大器电路相比有不同的输出驱动要求。陶瓷扬声器的结构要求放大器能够驱动较大的容性负载,能在高频时提供更大

HENTRMP A990GF型广播扩音机整机不通电
1369x574 - 172KB - JPEG

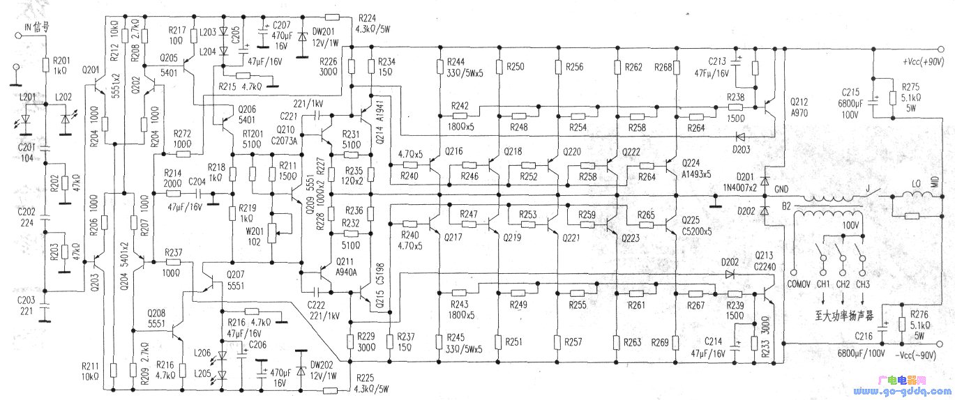
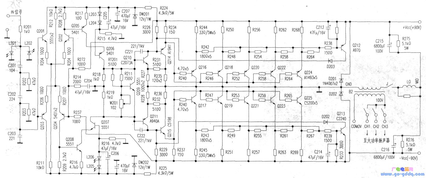
HENTRMP A990GF型广播扩音机功率放大电路
1369x574 - 172KB - JPEG

高士AV-115放大器扬声器保护电路
2240x1340 - 253KB - JPEG

晶体管扩音机功率放大电路的改进[中国电子设
303x321 - 10KB - GIF

湖山AVK100放大器功放与扬声器保护电路
1952x1640 - 315KB - JPEG

基于扩音机中的PWM D类放大电路图
920x915 - 116KB - JPEG
手提式数字扩音机中PWMD类放大电路图
800x796 - 277KB - JPEG

天龙PMA-780A放大器扬声器保护电路
2272x1860 - 431KB - JPEG

【图】扩音机电路设计其它电路图 电路图 维库
566x215 - 22KB - JPEG

用UPC1237设计的扬声器保护电路
640x450 - 62KB - JPEG

柴尔Zell 831放大器扬声器保护电路-功放电路图
2720x1120 - 287KB - JPEG

晶体管扩音机功率放大电路的改进[中国电子设
255x321 - 9KB - GIF

CA-4400扩音机功放电路图-集成音频放大-音频
793x514 - 64KB - JPEG

苹果iPhone 4S手机扬声器音频放大电路
572x365 - 20KB - JPEG

电唱机与扩音机的配接电路图
375x223 - 11KB - JPEG