[资料]CIC 集成电路设计全集 梁海东 见习生 UID 864823 帖子 234 精华 0 积分 16 资产 16 信元 发贴收入 1185 信元 推广收入 0 信元 附件收入 4 信元 下载支出 1697 信元

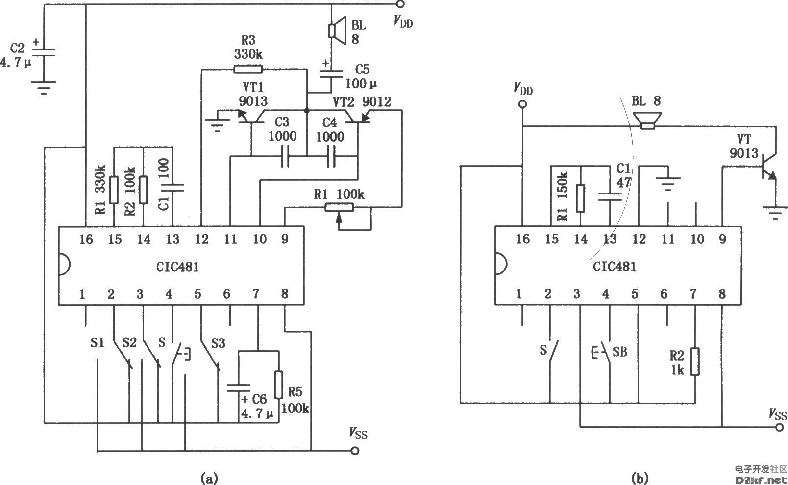
CIC481音乐集成电路图
1608x990 - 112KB - JPEG

CIC481音乐集成电路 - 21IC中国电子网
1608x990 - 96KB - JPEG

cic481音乐集成电路
650x400 - 56KB - JPEG

CIC481音乐集成电路
1608x990 - 123KB - JPEG

CIC481音乐集成电路图
1608x990 - 152KB - GIF

【图】CIC481系列音乐集成电路图音频电路 电
800x396 - 46KB - GIF

原装高级汽车音响功放ICZIP-25PAL007CIC集
300x300 - 25KB - JPEG

【图】CIC481音乐集成电路图语音电路 电路图
1608x990 - 220KB - GIF

【图】CIC481系列音乐集成电路图音频电路 电
600x592 - 46KB - GIF

FQPF10N60C FQPF10N60CIC集成电路 品牌
220x220 - 28KB - JPEG

FQPF10N60C FQPF10N60CIC集成电路 品牌
220x206 - 24KB - JPEG

FQPF10N60C FQPF10N60CIC集成电路 品牌
175x220 - 7KB - JPEG

供应集成电路CIC56399E CIC56399图片,供应
586x430 - 35KB - JPEG

CIC2851AE构成的电饭煲饭熟报知器
1644x658 - 104KB - JPEG

【集成电路CIC:SL8411,SL8411M(图)】价格,厂
188x210 - 6KB - JPEG