安装消防总线隔离器可起到保护消防控制主机以及不影响其他回路正常工作的作用。 消 消防隔离器相当于一个自动开关,将消防控制主机与发生短路回路的外部报警设备相隔离

信号隔离器的原理,信号隔离器的原理最便宜价
200x200 - 8KB - JPEG

消防隔离器哪种好 泊美隔离霜牌子同款
608x318 - 34KB - JPEG

北京地区can总线转光纤中继器\/can HUB隔离器
800x541 - 44KB - JPEG

【安舍消防短路隔离器模块788612】-湖南黄页
440x279 - 11KB - JPEG

sx3291总线隔离器-沈阳消防电子设备厂,消防设
571x355 - 46KB - JPEG

无锡蓝天消防报警设备|消防报警设备工作原理
220x220 - 34KB - JPEG

消防设计中短路隔离器怎么布置-短路隔离器,消
1087x433 - 98KB - JPEG

GM611A短路隔离器 国泰怡安- 当宁消防网!
780x433 - 166KB - JPEG

总线隔离器_电气火灾监控系统_当宁消防网,专
600x600 - 33KB - JPEG

泛海三江消防电子+短路隔离器
635x714 - 89KB - JPEG

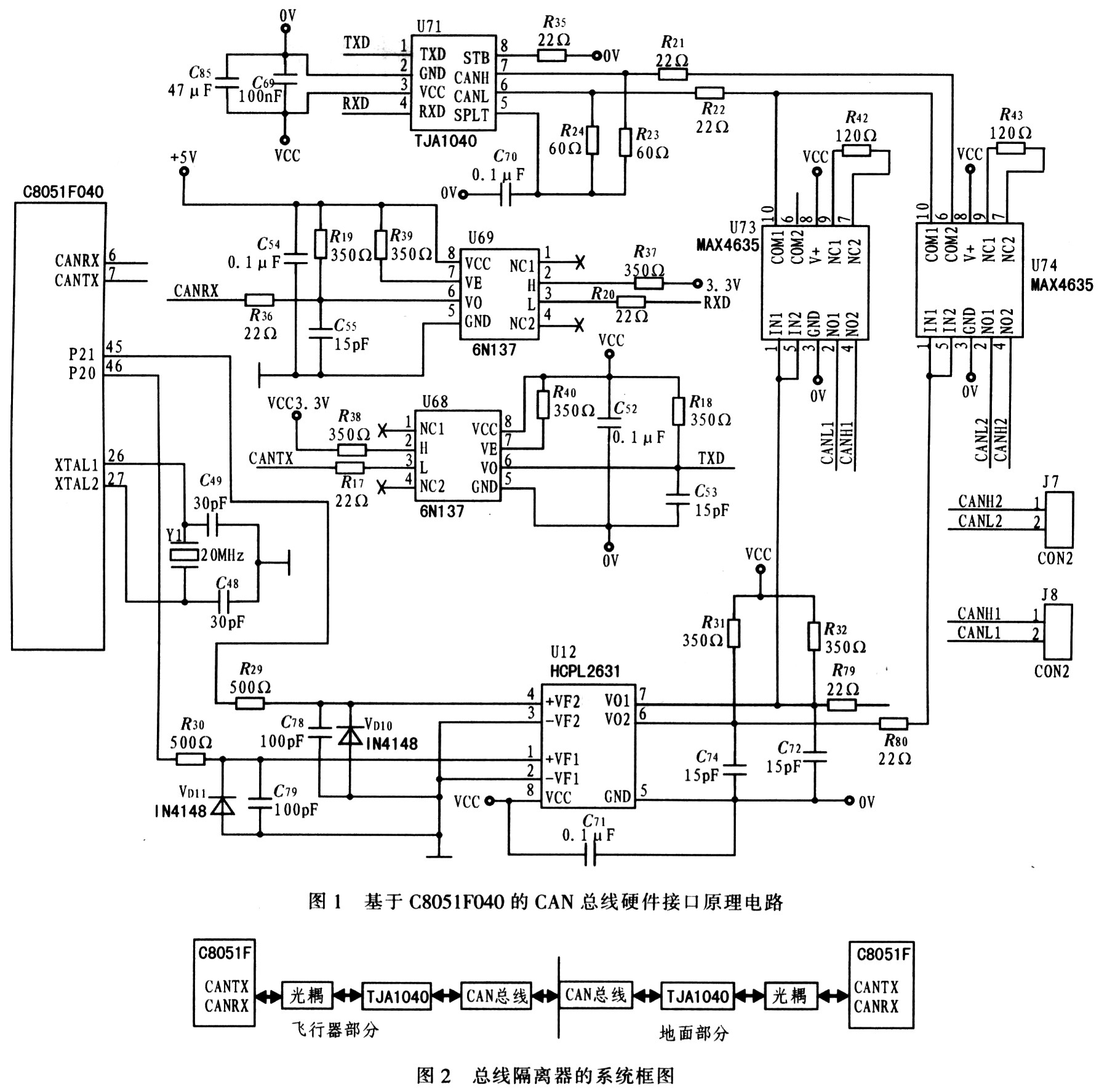
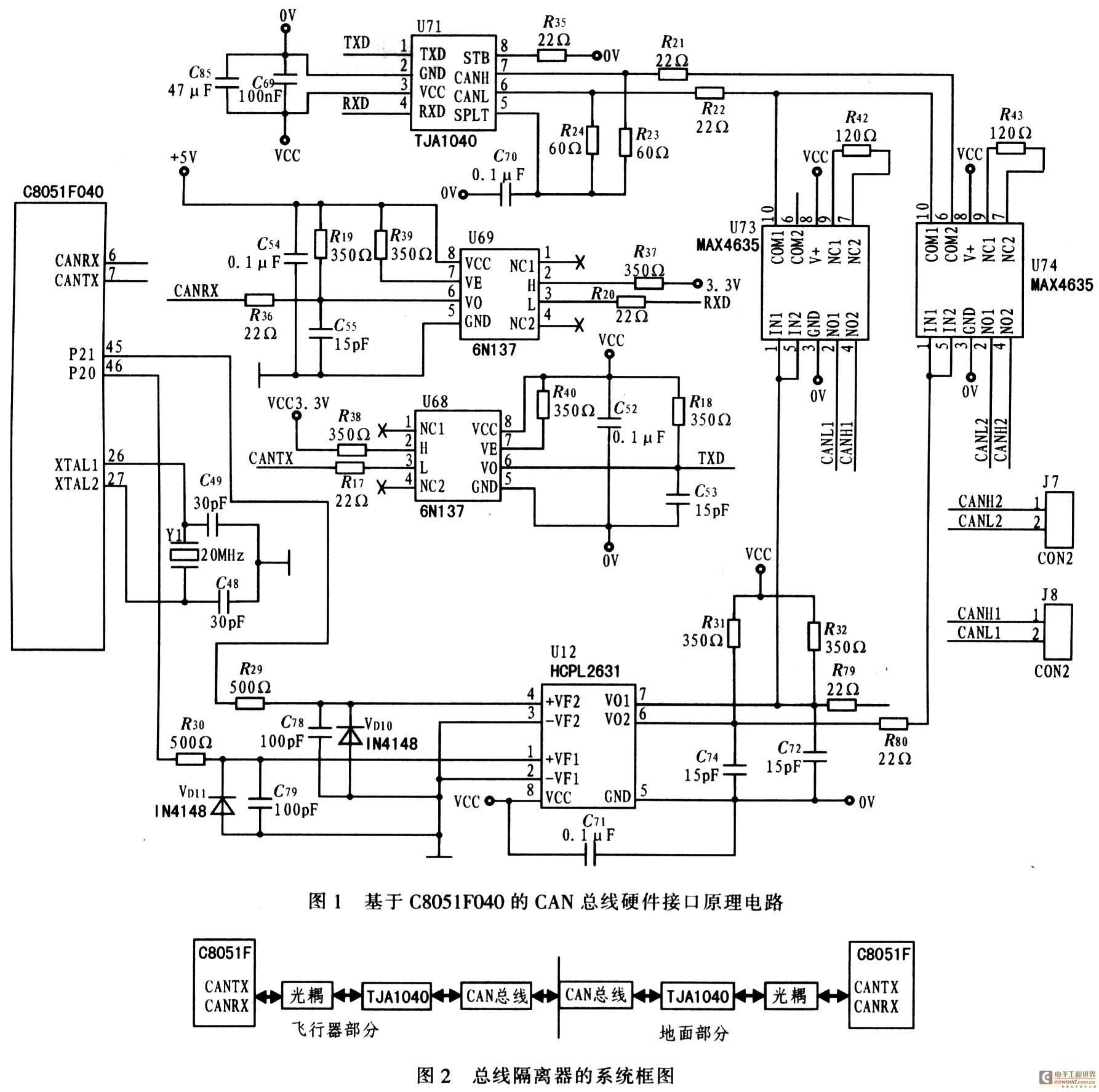
CAN总线隔离器的设计与应用_电子资料技术文
1786x1775 - 422KB - JPEG

消防总线隔离器图标 - 信号隔离器 - 消防总线隔
710x507 - 14KB - JPEG

SD吸气式烟感常见故障及处理方法 当宁消防网
386x431 - 19KB - JPEG
.jpg)
55000-852PRC输出模块(带隔离器) 阿波罗AP
488x383 - 20KB - JPEG

基于C8051F040的CAN总线隔离器的设计与应
1786x1775 - 439KB - JPEG