
液晶显示器驱动板维修代换实例
400x367 - 78KB - JPEG
自己买了驱动板和电源板修显示器,结果发现是
985x659 - 216KB - JPEG

显示器驱动板维修_显示器驱动板坏了症状_显
767x704 - 104KB - JPEG

显示器驱动板维修_显示器驱动板坏了症状_显
800x617 - 111KB - JPEG

技术资料:液晶显示器驱动板维修代换实例-+维
400x367 - 78KB - JPEG

电源一体板,只有5V输出,如何更换通用驱动板2
1200x1366 - 294KB - JPEG

液晶显示器驱动板维修代换实例 - 技术方案 - 华
400x367 - 33KB - JPEG
自己买了驱动板和电源板修显示器,结果发现是
985x661 - 183KB - JPEG

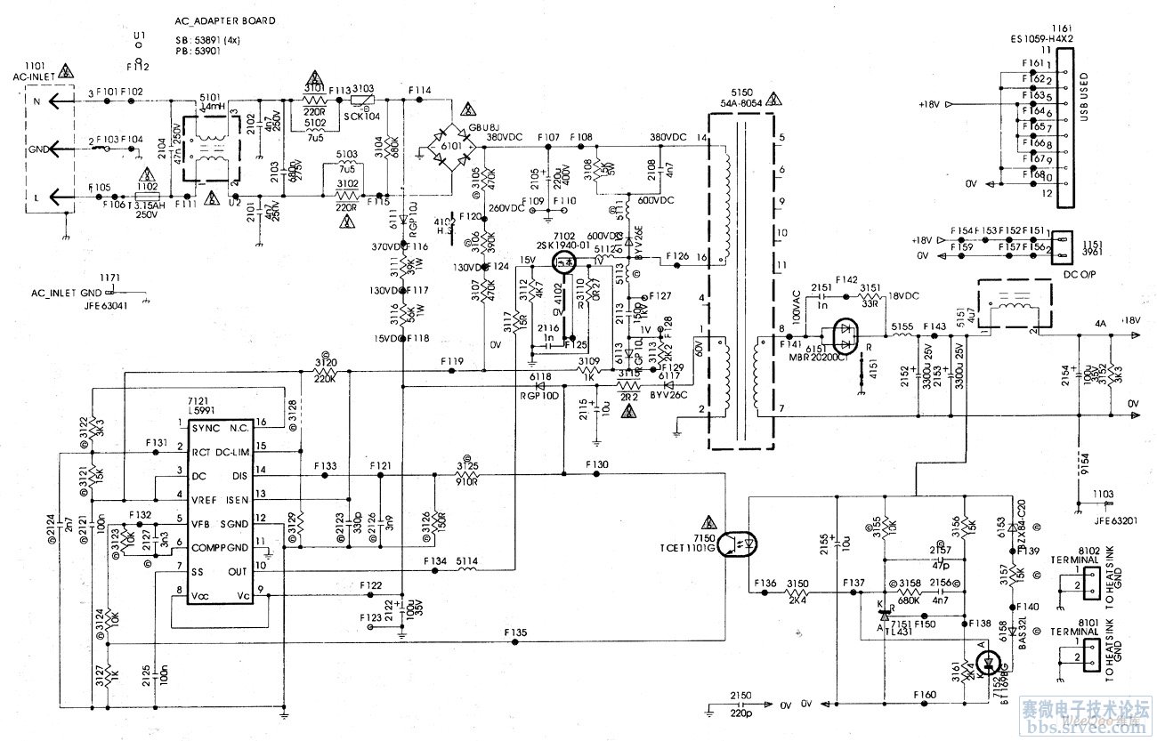
液晶显示器电源电路维修实例_电子设计应用_
1300x833 - 195KB - JPEG

驱动板上电源输入_显示器电源板维修图解_钟
293x220 - 15KB - JPEG

驱动板上电源输入_显示器电源板维修图解_钟
290x220 - 29KB - JPEG

张江硬件显示器驱动板维修_尹先生_一问百答
400x353 - 69KB - JPEG

数码、电脑维修安装-液晶显示器维修换屏\/换驱
310x233 - 31KB - JPEG

17寸原装名基BENQ方正液晶显示器维修 驱动
361x364 - 57KB - JPEG
![[图]供应显示器电源驱动板,维库电子市场网](http://www.dzsc.com/uploadfile/company/103510/b2012220122129760.jpg)
[图]供应显示器电源驱动板,维库电子市场网
4000x3000 - 1304KB - JPEG