阿里巴巴为您找到92条关于f型电阻成型机生产商的工商注册年份、员工人数、年营业额、信用记录、主营产品、相关f型电阻成型机产品的供求信息、交易记录等企业详情。您

f007运算放大器中电阻R2的作用_360问答
600x800 - 68KB - JPEG

问: 在一简单电路中,两个电阻R1和R2串联连接
375x500 - 146KB - JPEG

怎么使用ZC-8型接地电阻测量仪 测量塔吊 跟 工
364x306 - 5KB - GIF

怎么使用ZC-8型接地电阻测量仪 测量塔吊 跟 工
377x267 - 4KB - GIF

利用以下器材测定干电池的电动势和内电阻:A、
273x232 - 10KB - PNG

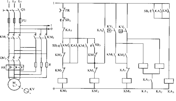
如何用三菱PLC改造带反接制动电阻的电动机双
600x343 - 24KB - PNG

热电阻型温度变送器
270x303 - 17KB - JPEG

智能型回路电阻测试仪
268x210 - 10KB - JPEG

高分子电阻型湿敏元件MS-Z1
360x360 - 14KB - JPEG

怎么更换电视机消磁电阻 介休_360问答
530x517 - 25KB - JPEG

电视机二脚消磁电阻分正负极吗?_360问答
476x303 - 39KB - JPEG

实验。如图要测量一个电动势约为3V,内电阻很
374x500 - 186KB - JPEG

已知条件:匀强磁场B,杆ab长为l,内阻不计,电阻R
579x541 - 30KB - JPEG

如图1所示的电路测定电源的电动势和内电阻,提
524x253 - 87KB - PNG

请问下热电阻PT100计算公式多少?最好是数字
296x800 - 27KB - JPEG