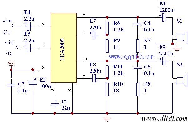
T D A 2 0 0 9 功 放 应 用 电 路 图 桂良电子|2012-11-15 马上扫一扫 手机打开 随时查看 手机打开 改 装 小 功 率 电 脑 音 箱 效 果 不 错 共享文档 共享文档是百度文库用户免费

tda2009a功率放大电路
480x334 - 34KB - JPEG

基于TDA2009A制作的小功放电子电路设计图
739x270 - 175KB - PNG

求TDA2009A的BTL电路图。最好有用过的
597x533 - 41KB - JPEG

由tda2009a组成的功放电路图
480x334 - 24KB - JPEG

由TDA2009A构成的双声道音频功放电路 -广电
422x355 - 37KB - JPEG

基于TDA2009A制作的小功放电子电路设计图
712x527 - 108KB - PNG

TDA2009A功放集成电路制作_word文档在线阅
893x377 - 130KB - PNG

大神过来看看,刚刚画的TDA2009A功放电路怎
743x716 - 57KB - PNG

用tda2009制作功放电路
603x392 - 45KB - JPEG

TDA1519A功放电路
642x483 - 40KB - GIF

那位仁兄有 3声道 TDA2030A 功放板 的电路图
600x411 - 87KB - JPEG

HIFIDIY论坛-菜鸟关于放大器电路的几点请教 T
1037x642 - 60KB - JPEG

Tda7294 Btl_Tda7294电路图_Tda7294功放板
1442x1099 - 408KB - JPEG

由TDA2009构成的1W高保真BTL功率放大器 -
764x401 - 66KB - PNG

TDA2009A集成电路 (IC)原装热卖,专销STMicr
350x350 - 10KB - JPEG