晶 体 二 极 管 和 二 极 管 整 流 电 路 lccclyyy上传于2012-04-11 (高于99%的文档) 晶 体 二 极 管 和 二 极 管 整 流 电 路 试读已经结束,如果需要继续阅读,敬请购买 ¥0元 购买

图】晶体二极管桥式整流电路图光敏二极管、三
600x301 - 41KB - GIF

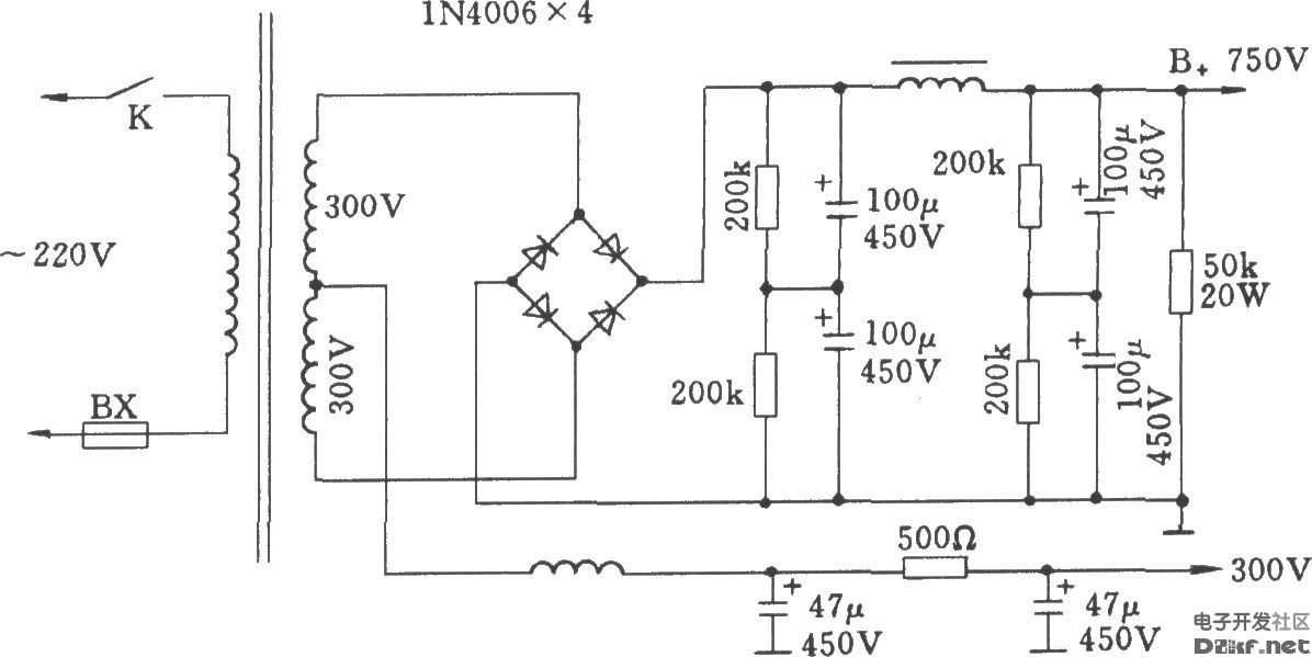
晶体二极管桥式整流电路(用于电子管功放)
1196x599 - 135KB - JPEG

晶体二极管组成的各种整流电路
354x385 - 37KB - JPEG

晶体二极管单相全波电阻负载整流电路
523x447 - 72KB - JPEG

晶体二极管-晶体二极管原理-晶体二极管分类-晶
374x187 - 9KB - JPEG

晶体二极管桥式整流电路(用于电子管功放)
1196x599 - 68KB - JPEG

晶体二极管组成的各种整流电路,解决方案
354x385 - 37KB - JPEG

晶体二极管桥式整流电路(用于电子管功放) - 21
1196x599 - 47KB - JPEG

利用单向导电特性分析二极管整流电路方法和思
439x270 - 14KB - JPEG

晶体二极管组成的各种整流电路,解决方案
353x196 - 19KB - JPEG

晶体二极管桥式于电子管功放整流电路图
616x327 - 38KB - JPEG

请教:小玻璃二极管如何区分整流、开关和硝基
957x688 - 64KB - JPEG

晶体二极管组成的各种整流电路
372x421 - 10KB - GIF

晶体二极管及晶体管放大电路-广电电器网-www
298x211 - 4KB - GIF

齐齐哈尔led二极管|整流二极管原理
600x400 - 25KB - JPEG