空调电路图 13483916552|2011-01-10 |举报 空调电路图 共享文档 共享文档是百度文库用户免费上传的可与其他用户免费共享的文档,具体共享方式由上传人自由设定。了解文

日产轩逸ABS、EPS自动空调控制系统电路图_中华文本库
2000x1569 - 2316KB - PNG

空调原理图8_电路图_电子产品世界
2154x1474 - 204KB - JPEG

分析桑塔纳3000轿车空调系统电路 - 精通维修下载
3117x1691 - 662KB - JPEG

图】东南得利卡轻型客车除霜器、取暖器与空调系统电路图东南电路图
1800x1177 - 400KB - JPEG

bluetooth 4.0 + hs _电子产品世界
3299x2080 - 636KB - JPEG

美的KFR-25GW空调器遥控器及整机电路图_电路图_电子产品世界
1105x998 - 800KB - JPEG

【图】别克赛欧自动空调、收音机、照明系统电路图别克 电路图 维库电子市场网
2000x1357 - 763KB - GIF

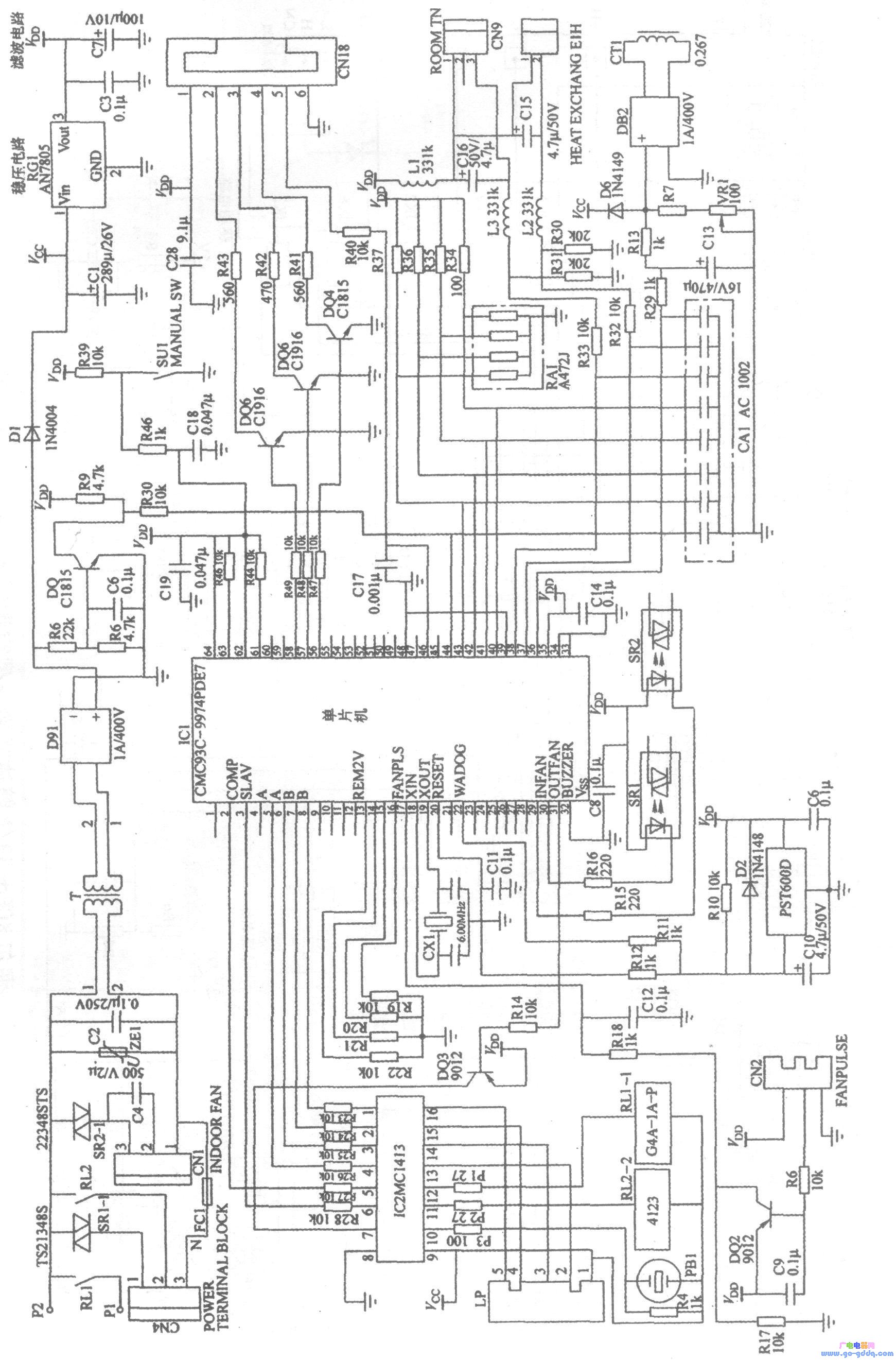
海尔KFR-35W\/E分体式空调单片机电路原理图-技术资讯-华强电子网
1741x2641 - 553KB - JPEG

大众桑塔纳时代超人空调制冷功能间歇中断 - 精通维修下载
2046x2571 - 415KB - JPEG

2010 款新途观空调不制冷 - 长春一汽二级服务网络山东中转库
1600x2570 - 1194KB - PNG

TRA系列屋顶式风冷空调机组 - 易览网_中国机电产品网上展览馆
1864x2552 - 433KB - JPEG
奥拓空调系统电路图_cyaika_新浪博客
490x360 - 49KB - JPEG

家用中央空调系统示意图
543x305 - 40KB - JPEG

【浅析汽车的手动空调控制系统】_V3菱悦论坛_汽车论坛-易车网
700x526 - 69KB - JPEG

新型家用变频空调微电脑电路图免费下载 - 电气图纸 - 土木工程网
624x446 - 43KB - JPEG