不管强电、弱电、模拟、数字,首先要明白各单位元器件的符号;新、旧国标都要熟记;熟练掌握各种单位元器件的工作原理和特性以及作用熟练掌握各种基本单元电路的工作原理

机电路板原理图
730x525 - 51KB - JPEG

pcb电路板供应\/电路板原理图
631x393 - 40KB - JPEG

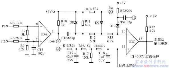
科龙KFR-28GW\/BP变频空调电路板工作原理_
763x867 - 190KB - JPEG

应急灯电路板原理图
445x388 - 11KB - GIF

电源电路:应急灯电路板原理图
445x388 - 56KB - JPEG

手机充电宝电路板上有哪些电子元件
700x526 - 314KB - JPEG

电磁炉万能电路板工作原理(图)_家电维修资料
541x550 - 38KB - JPEG

电磁炉万能电路板工作原理(图)_家电维修资料
1763x1270 - 224KB - JPEG

玉溪电路板回收设备其工作原理及拆解元器件意
770x501 - 41KB - JPEG

LG柜式冷暖空调通用电路板原理图-广电电器网
1271x942 - 258KB - JPEG

led驱动器电路板原理图
1226x673 - 113KB - JPEG

科龙KFR-28GW\/BP变频空调电路板工作原理
763x867 - 165KB - JPEG

原理图制作-电路板原理图设计制作
500x273 - 43KB - JPEG

电磁炉万能电路板工作原理(图)_家电维修资料
593x240 - 25KB - JPEG

降压型LED驱动器设计方案 -LED
1226x673 - 128KB - JPEG