电路分析中,在正弦交流电路分析部分,采用了相量分析法,电路中的电流、电压都可以用相量表示。相量可以用指数形式表示,如:U(相量)=U∠φ,其中U就是电压的有效值,φ就是

tda8357j\/8359j应用电路
1913x1137 - 312KB - PNG

在用ad画电路原理图时j和p分别表示什么意思
850x1100 - 83KB - PNG

模拟电路频率响应:式中的j是什么东西-模拟电路
454x318 - 5KB - GIF

【图】TDA8357J\/8359J的测试电路视频放大 电
1632x1147 - 262KB - PNG

下面可调电源电路中两个反馈元件的作用是什么
1055x585 - 141KB - JPEG

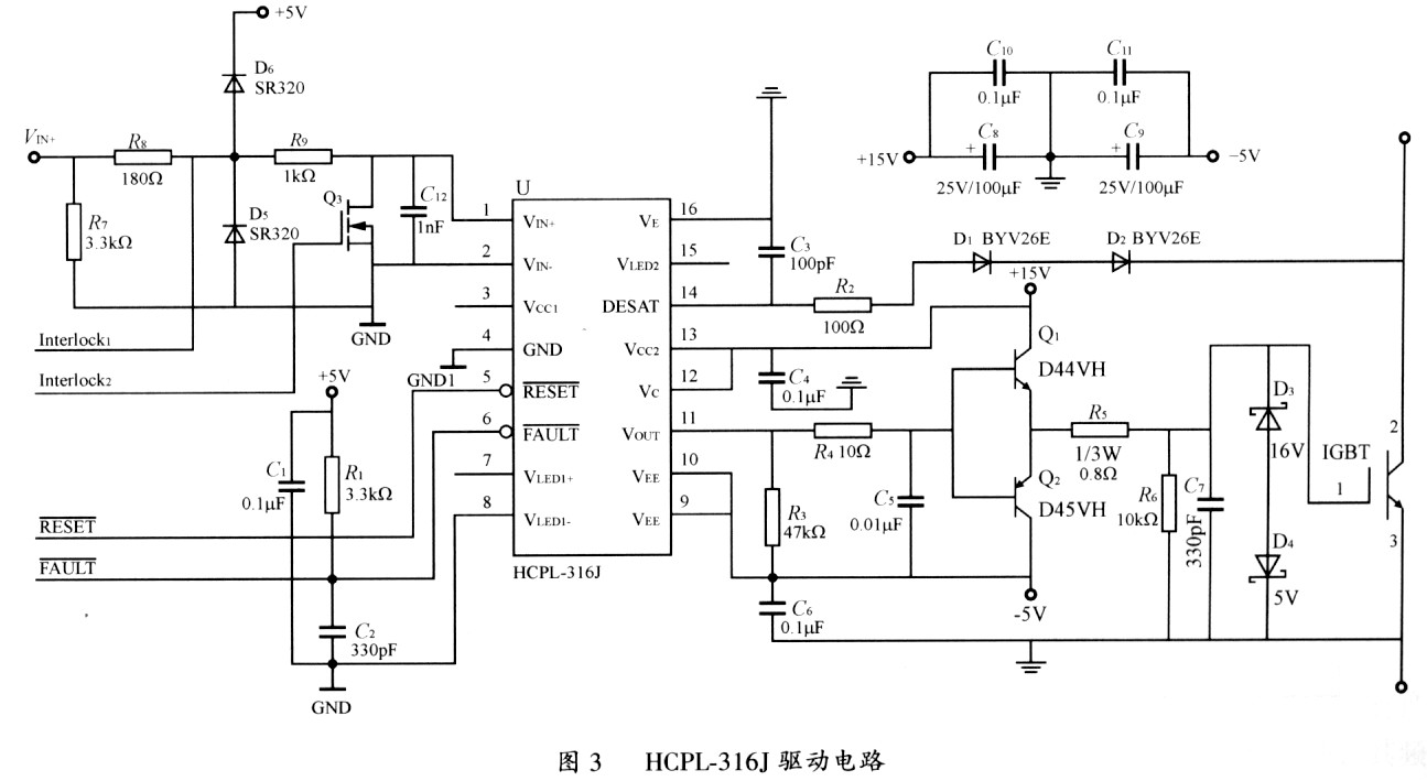
HCPL-316J驱动电路及引脚图_电子设计应用_
1295x709 - 114KB - JPEG
图为一振荡电路,它每个元件的作用是什么
384x512 - 24KB - JPEG

电视中的场扫描电路中大致有什么零件?谢谢了
500x346 - 40KB - JPEG

变频器维修之A316J驱动电路的检修_变频器维
640x469 - 83KB - JPEG

a316j)驱动ic构成的实际驱动电路
554x346 - 54KB - JPEG

tda8357j\/8359j应用电路
1913x1137 - 176KB - JPEG

【供应a316j】价格,厂家
680x343 - 26KB - JPEG

HCPL-316J驱动电路
558x424 - 39KB - JPEG

TDA8357J\/8359J的测试电路图
1632x1147 - 96KB - JPEG

PSD302-A-12J 是什么芯片-集成电路-51电子网
250x250 - 14KB - JPEG