班级:物理08-2B姓名:陈倩学号:08070201004热敏电阻温度特性实验原理电桥法测电阻被认为是一种较精确的测量电阻方法。在本文半导体热敏电阻温度特性的测试中,采用了非

实验28 应用计算机测定热敏电阻的温度特性
215x223 - 1KB - PNG

温度传感器(热敏电阻)实验电路-广电电器网-ww
432x256 - 18KB - JPEG

热敏电阻用于- 实验器材热敏电阻用于火灾报警
648x486 - 92KB - JPEG

Matlab在热敏电阻特性测量实验中的应用
693x1088 - 118KB - PNG

热敏电阻常常应用在控制电路中.热敏电阻包括
216x275 - 11KB - PNG

热敏电阻包括正温度系数电阻器(PTC)和负温度
217x237 - 15KB - JPEG

一热敏电阻阻值随温度变化的图象如实验图甲所
273x153 - 8KB - JPEG

热敏电阻及其应用电路
600x600 - 72KB - JPEG

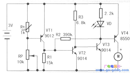
温度传感器(热敏电阻)实验电路
551x311 - 25KB - JPEG

基于单片机和半导体制冷片的热敏电阻实验研究
800x1131 - 420KB - PNG

热敏电阻在现代自动控制技术中有着广泛的应用
280x229 - 9KB - PNG

热敏电阻温度实验仪器 - 热敏电阻温度实验仪器
275x235 - 13KB - JPEG

热敏电阻自动控温电路图
515x495 - 106KB - JPEG

如图甲是利用热敏电阻来测量温度的原理图.该
490x215 - 68KB - PNG

学想用如图甲所示的电路探究一种热敏电阻的温
486x237 - 68KB - PNG