如何看懂电路板的电子器件及电路图电流电压电阻欧姆定律电源负载电路电动势周期频率电容容抗电感感抗阻抗相位相位差电流:电荷的定向移动叫做电流。电路中电流

如何看懂这样的电路图
500x281 - 27KB - JPEG

如何看懂电子电路图
316x226 - 26KB - JPEG

怎么快速看懂电路图\/怎么看懂电路板\/怎样能快
400x262 - 8KB - JPEG

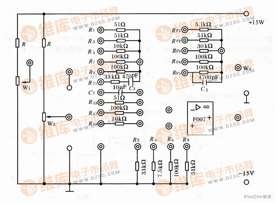
集成运算放大器实验线路板电路图
880x649 - 322KB - JPEG

it男专用电路板伦敦地铁图
450x299 - 26KB - JPEG

【图】轻松看懂电子电路图_价格:38.00
600x839 - 61KB - JPEG

印制电路板设计应如何考虑散热问题-电子电路
450x409 - 50KB - JPEG

怎么看懂电路板电路? - 电路设计论坛 - 中国电
939x545 - 163KB - PNG

怎么快速看懂电路图\/怎么看懂电路板\/怎样能快
350x196 - 16KB - JPEG

怎么快速看懂电路图\/怎么看懂电路板\/怎样能快
450x167 - 16KB - JPEG

怎么快速看懂电路图\/怎么看懂电路板\/怎样能快
274x183 - 11KB - JPEG

怎么快速看懂电路图\/怎么看懂电路板\/怎样能快
250x186 - 5KB - JPEG

倒底看看谁真牛!能看懂这张电路图| 电路板,PC
455x404 - 145KB - JPEG

新手篇-轻松看懂汽车电路图(上)
2592x3256 - 615KB - JPEG

如何看懂电路板的电子器件及电路图
109x154 - 8KB - JPEG