电感的测量方法 绿衣红牛|2015-12-21 |举报 电感的测量方法 共享文档 共享文档是百度文库用户免费上传的可与其他用户免费共享的文档,具体共享方式由上传人自由设定。了

分析LC振荡电路电容和电感的测量设计方案
600x292 - 74KB - JPEG

电阻电容电感测试仪_电感电容测量仪_电容电
1612x1164 - 228KB - JPEG

求高精度电感,电容测量仪原理,电路图及制作方
431x372 - 43KB - JPEG

基于DDS的寄生电感测量仪设计,解决方案
700x720 - 70KB - JPEG

大范围测量电感及电容方法
640x360 - 28KB - JPEG

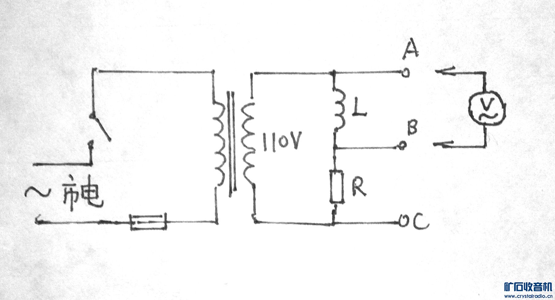
测量电感的简易方法 - 〓仪表工具专区〓 - 矿石
769x776 - 59KB - PNG

yd2776a精密电感测量仪
348x234 - 11KB - JPEG

大功率工业磁芯电感测量方法探讨
240x237 - 12KB - JPEG

变频空调器滤波电感的测量方法
647x266 - 48KB - JPEG

大范围测量电感及电容方法 -测控技术在线 自动
550x309 - 22KB - JPEG

基于LM324芯片的电感测量仪电路
746x542 - 55KB - JPEG

测量电感的简易方法 - 〓仪表工具专区〓 - 矿石
1812x980 - 138KB - JPEG

大范围测量电感及电容方法_电子变压器与电感
640x360 - 34KB - JPEG

图】多用途电阻、电容、电感测量仪电路图55
424x324 - 92KB - JPEG

通信用电感器和变压器磁心测量方法(GB\/T 963
354x500 - 26KB - JPEG