图1-58所示是接有高频旁路XC6228D332VR电容的发射极负反馈电路。由于输入端耦合电容Cl容量为10UF,所以VT1构成音频放大器,VT1发射极电阻上接有一只容量较小的旁

图中的电路中,发射极电阻RE所起的作用是 。
198x228 - 22KB - JPEG

这个电路由于有发射极电阻r5
636x502 - 15KB - PNG

图中三极管发射极的电阻有什么作用?_360问答
620x826 - 164KB - JPEG

为什么共射极放大电路发射极接个小电阻对交流
558x517 - 24KB - JPEG

它们与各放大管发射极电阻的比值决定了各视频
742x586 - 64KB - GIF

为什么共射极放大电路发射极接个小电阻对交流
598x462 - 31KB - JPEG

三极管基极和发射极之间并联一个电阻和电容的
128x220 - 28KB - JPEG

三极管基极和发射极之间并联一个电阻和电容的
600x235 - 33KB - JPEG

怎样选用ocl功率放大电路功放管的发射极电阻
327x479 - 14KB - PNG

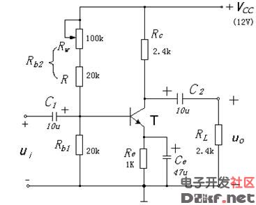
阻容耦合分压式电流负反馈Q点稳定电路图,解决
367x294 - 14KB - JPEG

带阻晶体管的一个电阻并联在基极与发射极间的
450x371 - 18KB - GIF

难点电路详解之负反馈放大器电路(4) - 技术解析
608x247 - 36KB - JPEG

发射极电阻将电流变化转换成电压变化的原理-
400x235 - 11KB - JPEG

共集电极放大器交流电路和发射极电阻分析-技
296x297 - 15KB - JPEG

部分发射极电阻加接旁路电容电路故障分析-技
292x228 - 12KB - JPEG