
【图】双向触发二极管可控硅专项
352x332 - 13KB - PNG

双向触发二极管| DB3双向触发二极管|双向触发
400x281 - 21KB - JPEG

双向二极管质量判断电路 --电子电路图
825x441 - 24KB - JPEG

【图】双向二极管触发电路图晶闸管控制 电路
500x356 - 23KB - GIF

TVS二极管在电路设计应用TOP7 -电路图天天
348x390 - 22KB - JPEG

【图】双向触发二极管可控硅专项 电路图 维库
500x357 - 27KB - PNG

在一个含二极管的电路中,如何判断输出电压的
542x319 - 20KB - JPEG

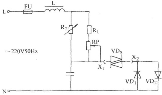
【图】采用双向触发二极管的双向晶闸管调光灯
825x437 - 26KB - JPEG

二极管-RSB6.8G\/双向 ESD保护二极管\/6.8V ±
624x426 - 67KB - JPEG

如何对双向触发二极管进行检测
400x206 - 18KB - GIF

双向二极管触发电路-遥控接收电路图
500x356 - 27KB - JPEG

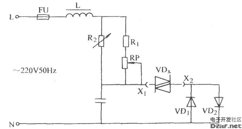
【图】使用双向触发二极管触发双向可控硅的调
221x220 - 41KB - JPEG

双向二极管触发双向晶闸管调压电路图
333x194 - 8KB - JPEG

双向二极管质量判断电路
825x441 - 24KB - JPEG

双向触发二极管的用途
550x396 - 13KB - GIF