慧聪网大功率锗二极管微门户,集合了关于大功率锗二极管的丰富内容,为用户提供各种大功率锗二极管的供求信息价格,大功率锗二极管资讯,大功率锗二极管图片,大功率锗二极

【2015锗管】_淘宝锗管正品_锗二极管型号
200x200 - 33KB - JPEG

冲五钻:5.1V稳压二极管 ST先科直插稳压管 1\/2
300x300 - 48KB - JPEG

肖特基二极管,快恢复二极管
500x424 - 58KB - JPEG

大功率LED高频驱动电路设计方案
416x490 - 13KB - JPEG

大功率LED高频驱动电路设计方案-中国LED网
416x490 - 11KB - JPEG

大功率LED高频驱动电路的工作原理与设计方案
427x340 - 16KB - PNG

二极管的结构及性能特点有哪些? - 行业知识 -
385x176 - 6KB - GIF

12 电力电子器件(BJT_MOSFET_IGBT)(邹家兵
1152x864 - 78KB - PNG

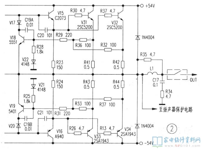
Hi-Fi功放保护电路原理剖析
690x507 - 43KB - JPEG