闪烁电路PLC梯形图 设计始时间图1中的T0和T1均为OFF,X0的常开触点接通后,T0和线圈“通电”,2s后定时时间到,T0常开触点接闭触点断开,使T0的线圈“断电”,T0的常开触

【图】LED闪烁电路图LED电路 电路图 维库电
358x507 - 92KB - GIF

制作led闪烁电路(修改)
500x375 - 10KB - JPEG

LED电路:LED闪烁电路- 维库电子开发网
358x507 - 25KB - PNG

制作简易闪烁灯电路图
512x384 - 27KB - JPEG

如何做最简单的闪烁式led电路
338x472 - 25KB - JPEG

两灯交替闪烁应如何安装电路?
233x373 - 12KB - JPEG

制作led闪烁电路(修改)
500x375 - 10KB - JPEG

请问用双稳态频闪电路
435x296 - 20KB - JPEG

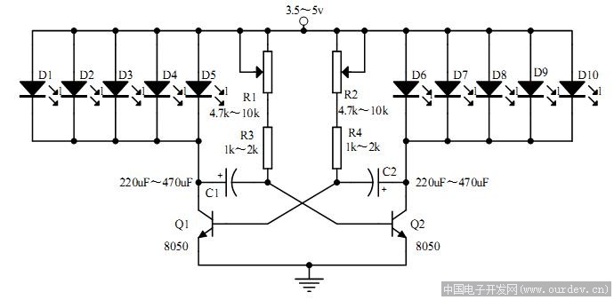
简单的LED闪烁电路
615x248 - 15KB - JPEG

【图】闪烁灯控制电路图LED电路 电路图 维库
800x428 - 74KB - GIF
请教一个LED闪烁电路(amoBBS 阿莫电子论坛
690x338 - 42KB - JPEG

led闪烁电路
317x425 - 30KB - JPEG

【图】555车灯闪烁电路图其它电路图 电路图
800x372 - 40KB - JPEG

闪烁灯_闪烁器_闪烁led_ 闪烁电路 - 下午,发现
640x480 - 56KB - JPEG

六路闪烁灯串电路(2) - 21IC中国电子网
814x337 - 36KB - GIF