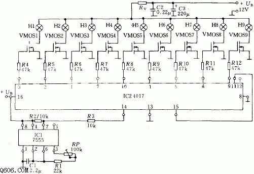
在脉冲与数字电路中,MOS场效应管作为最基本的开关元件得到了普遍的应用。MOS场效应管以燥声系数低、截止频率高、开关特性好、抗干扰能力强、增益高、功耗低、不存

【图】新型mos场效应管开关电源电源电路
763x471 - 87KB - JPEG

mos的开关电路
893x617 - 23KB - JPEG

详解场效应管--不就是一个电控开关!
549x329 - 29KB - JPEG

场效应管电压驱动电路图
750x403 - 36KB - JPEG

图】串联型MOS场效应管开关电源电路开关稳
900x575 - 304KB - JPEG

场效应管驱动电路研究-电子电路图,电子技术资
237x302 - 13KB - JPEG

六端场效应管开关电路
328x271 - 19KB - JPEG

双刀双掷场效应管开关电路图
485x331 - 33KB - JPEG

场效应管驱动的定时闪光电路图
501x344 - 85KB - JPEG

电源切换开关电路求救! - 维库电子市场网
485x265 - 76KB - PNG

驱动led的电路图
599x422 - 18KB - JPEG

mos场效应管电源开关电路
379x231 - 34KB - PNG

关于场效应管作开关电路的问题
450x438 - 52KB - JPEG

请帮忙分析一下这个场效应管开关电路~
379x288 - 12KB - JPEG

场效应管导通,灯泡点亮
486x468 - 36KB - JPEG