下列芯片中属于单片机的芯片是()。A.8048B.8255C.80486D.8088 单片机原理及应用 以下试题来自:单片机原理及应用题库 单项选择题 下列芯片中属于单片机的芯片是()。 A

avr芯片介绍
762x438 - 45KB - JPEG

板卡芯片图片-科技图 单片机 芯片 特写,科技,板
600x396 - 48KB - JPEG

atmel单片机图片_atmel单片机图片大全_atme
640x640 - 37KB - JPEG

iad芯片
400x250 - 106KB - JPEG

单片机解密_单片机解密供货商_供应STC12C5
487x364 - 19KB - JPEG

优势供应优质芯片
500x386 - 13KB - JPEG

stc单片机芯片_stc12c5a60s2芯片_stc12c5a6
2000x1589 - 163KB - JPEG

单片机芯片+(24c08)
400x300 - 78KB - JPEG

【武汉stm8l101系列解密st单片机解密图片芯片
640x640 - 31KB - JPEG

51单片机芯片_51仿真芯片_89c51芯片_ 51芯
707x484 - 53KB - JPEG

限公司生产供应SONIX松瀚SN8P2711单片机解
262x205 - 12KB - JPEG

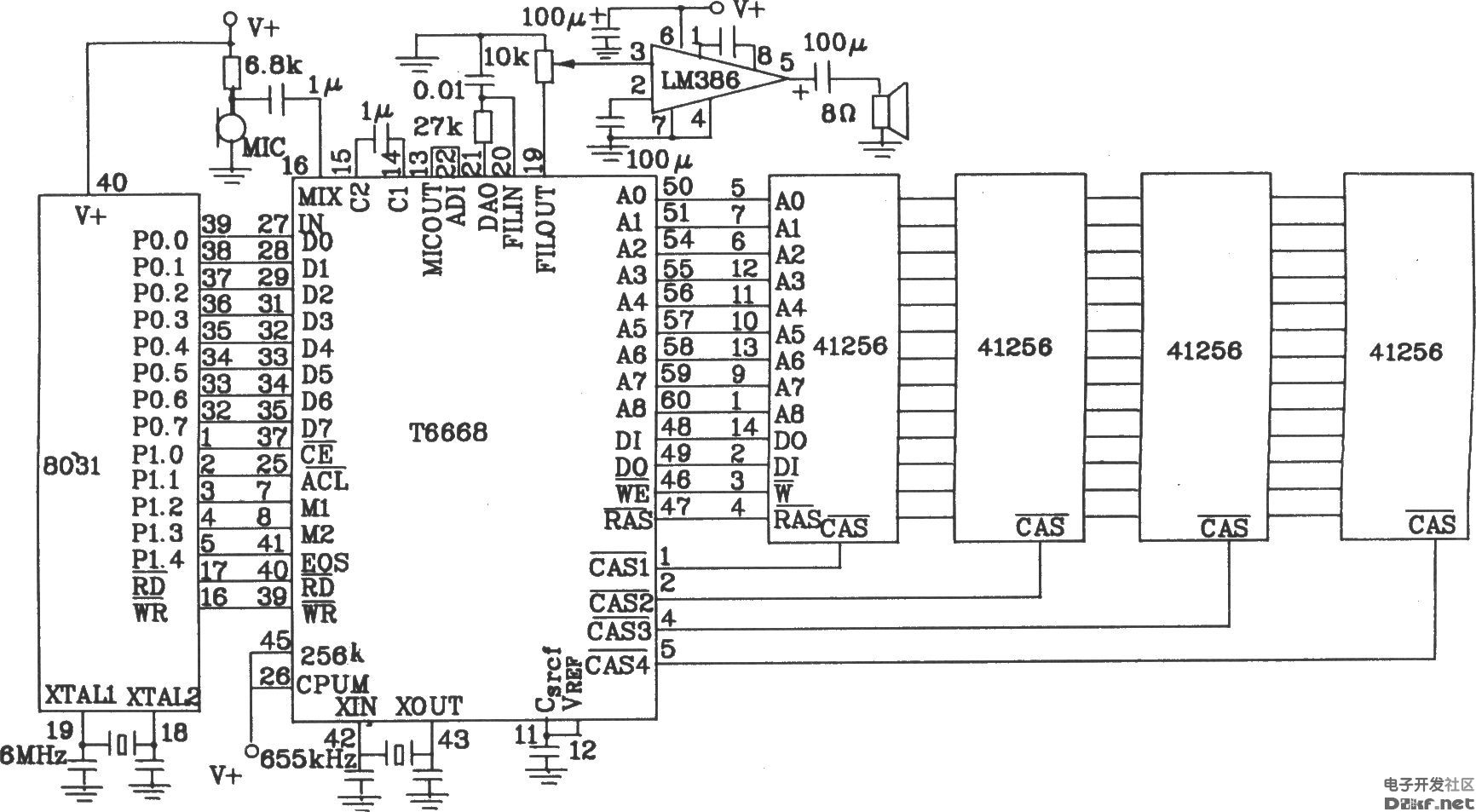
语音合成芯片T6668和单片机8031的接口电路
1732x953 - 206KB - JPEG

【51单片机仿真芯片】最新最全51单片机仿真
220x220 - 6KB - JPEG

代理英飞凌INFIENON单片机芯片MCU
300x226 - 12KB - JPEG

板卡芯片图,科技图片,science
600x396 - 45KB - JPEG