收音机电路分析,收音机基本原理与电路 2010年非电类电子工艺实习讲座 -2011-07-10-第一部分收音机的基本原理一、收音机的种类收音机的种类很多,分类方法也不尽相同,但

德生PL-600收音机的结构与电路分析
497x358 - 52KB - JPEG

半导体收音机电路系统的分析
566x303 - 30KB - JPEG

晶体管收音机电路原理分析
640x420 - 76KB - JPEG

德生pl600收音机的结构与电路分析
451x491 - 57KB - JPEG

京华JW-A21微型收音机电路剖析
551x243 - 37KB - JPEG

德生PL-600收音机的结构与电路分析
536x719 - 125KB - JPEG

晶体管超外差收音机整机电路分析
551x224 - 105KB - JPEG

德生PL-600收音机的结构与电路分析
563x763 - 141KB - JPEG

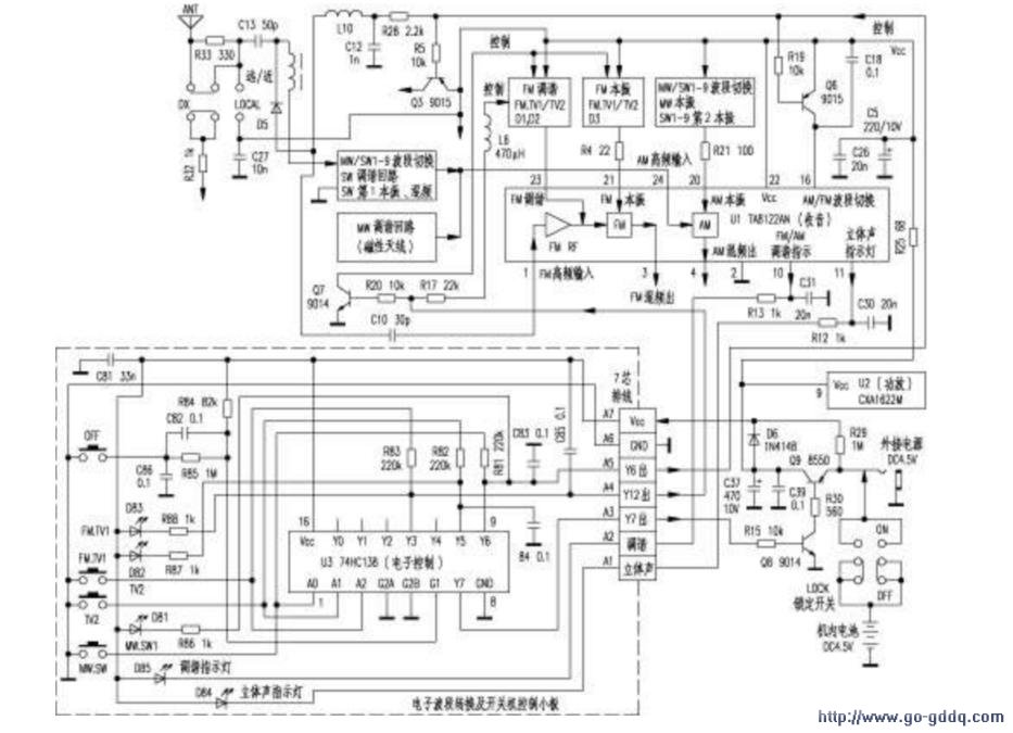
德生R9700收音机控制电路分析
933x675 - 96KB - JPEG

一款微型收音机电路剖析-电子电路图,电子技术
559x249 - 25KB - JPEG

晶体管收音机电路原理分析
640x420 - 84KB - JPEG

晶体管收音机电路原理分析
229x229 - 6KB - JPEG

最简单的收音机的电路设计与分析
640x480 - 72KB - JPEG

收音机的焊接技巧和电路图分析 - 电气技术
531x390 - 103KB - PNG

怎样看电路原理图--二波段收音机电路分析
700x425 - 57KB - JPEG