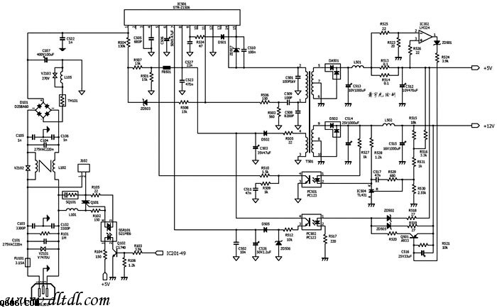
本电路是惠普6L激光机电源电路图 HP 6L激光机开关电源电路图_电路图 本电路是惠普6L激光机电源电路图 收录时间:2014年02月14日 16:26:56来源:-作者:匿名 创建分享人

特价 金运激光机 切割机配件 激光电源 80W 质
800x800 - 187KB - JPEG

pwm激光器开关电源电路
900x575 - 123KB - JPEG

其他电源-供应武汉金运激光机电源激光雕刻机
310x310 - 53KB - JPEG

激光机电源_激光机电源连接线_激光机电源接线
500x348 - 29KB - JPEG

HP 6L激光机开关电源电路图
700x434 - 56KB - JPEG

金运激光电源_激光切割机小型_金属激光切割
4608x3456 - 429KB - JPEG

激光电源使用说明及常见问题排除--co2激光电
419x325 - 24KB - JPEG

激光机电源_激光机电源连接线_激光机电源接线
351x213 - 14KB - JPEG

开关电源接线图
600x357 - 27KB - JPEG

大族粤铭激光机80W激光电源_广东东莞400W
750x750 - 111KB - JPEG

激光机电源_激光机电源连接线_激光机电源接线
993x699 - 83KB - JPEG

激光机电源_激光机电源连接线_激光机电源接线
640x480 - 41KB - JPEG

深圳成驰激光科技有限公司生产供应80W激光
1124x749 - 78KB - JPEG

各品牌激光机主板面板电源维修 乐创 睿达 普汉
460x345 - 48KB - JPEG

激光电源高压包80w_激光机电源_激光电源维修
670x603 - 65KB - JPEG