电子发烧友为您提供的什么叫集成电路_集成电路芯片种类及作用,本文主要介绍了什么是集成电路,集成电路的结构与特点、集成电路对集成电路的种类和作用进行了详细的介

新型3D打印技术可制造集成传感功能器官芯片
585x345 - 39KB - JPEG

爱特梅尔提供单芯片触摸与传感器中枢功能集成
1561x1384 - 196KB - JPEG

555芯片工作原理,555芯片功能 - 555集成电路
515x627 - 152KB - PNG

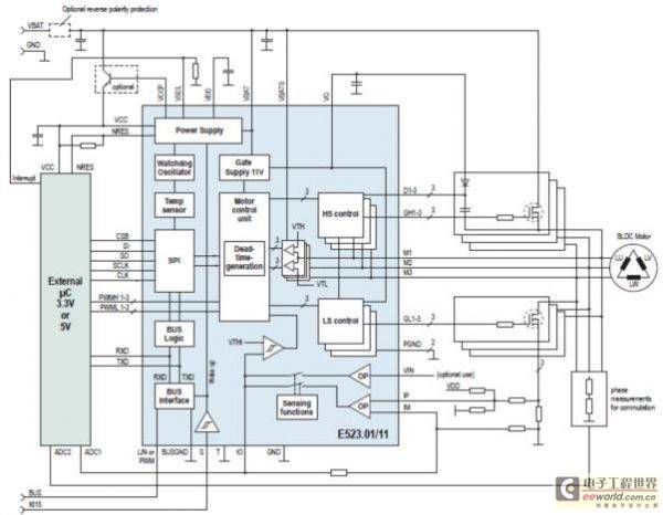
集成LIN系统基础芯片功能的三通道半桥驱动控
600x466 - 54KB - JPEG

电路板集成芯片原器件 - 素材公社 tooopen.com
1024x682 - 122KB - JPEG

集成芯片引脚功能查询(常用集成电路查询系统
844x419 - 81KB - PNG

IC集成电路型号大全及40系列芯片功能大全.do
794x1123 - 34KB - PNG

什么叫集成电路_集成电路芯片种类及作用 - 全
508x321 - 52KB - JPEG

多功能集成电路芯片测试机
320x487 - 20KB - JPEG

中规模集成电路功能测试仪的设计 - 电子芯片应
382x348 - 48KB - JPEG

集成芯片引脚功能查询(常用集成电路查询系统
843x442 - 230KB - JPEG

集成芯片引脚功能查询(常用集成电路查询系统
846x443 - 185KB - JPEG

迷你音乐集成芯片 带复位功能迷你音乐模块 音
310x233 - 33KB - JPEG

集成LIN系统基础芯片功能的三通道半桥驱动控
636x496 - 87KB - PNG

TMS320DM6446高集成度视频处理芯片功能结
697x398 - 167KB - JPEG