集成电路查询电子元件 ic查询元器件电子元器件查询网 Datasheet PDF datasheet 更多集成电路 815K MICR. 8000 四川汇丰元电子霍尔专营 08.13 HAL815K MICR. 8000 四川

集成芯片引脚功能查询(常用集成电路查询系统
844x419 - 81KB - PNG

集成芯片引脚功能查询(常用集成电路查询系统
841x418 - 97KB - PNG

集成芯片引脚功能查询(常用集成电路查询系统
846x443 - 185KB - JPEG

集成芯片引脚功能查询(常用集成电路查询系统
843x442 - 230KB - JPEG

集成芯片引脚功能查询(常用集成电路查询系统
846x443 - 185KB - JPEG

集成芯片引脚功能查询(常用集成电路查询系统
843x442 - 230KB - JPEG

我想查询LA7685的中文资料 - 集成电路资料下
702x839 - 80KB - JPEG

PMM8713 步进电机相激磁集成电路中文资料
661x524 - 61KB - JPEG

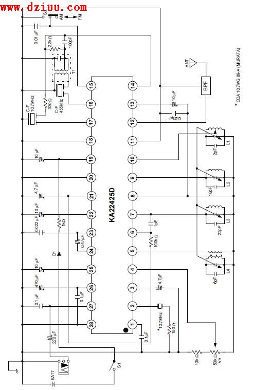
收音机专用集成电路ka22425d中文资料及电路
602x533 - 56KB - JPEG

供应L6562D 集成电路(ICS)中文资料高清图片
640x640 - 74KB - JPEG

集成运放LM358中文资料及应用电路图
505x351 - 30KB - JPEG

MM74HCT74M集成电路中文资料及电路图_电
636x301 - 35KB - JPEG

新型三端开关电源ws157集成电路 - 电路图纸 -
900x575 - 108KB - JPEG

LM3886功放集成电路中文资料
440x394 - 41KB - JPEG

收音机专用集成电路KA22425D中文资料及电路
492x759 - 53KB - JPEG