2.1音响电路原理图及分析 linchen1976|2011-11-03 |举报 大小:633.00KB 1下载券 下载 收藏此文档 登录百度文库,专享文档复制特权,积分每天免费拿!现在就登录 你可能喜欢

迷你音响原理图-+消费类电子电路图-+电子发烧
800x543 - 69KB - JPEG

音响电路原理图+-+电路图
800x510 - 53KB - JPEG

【图】索尼CDX-MP50型汽车音响工作原理图
550x550 - 188KB - JPEG

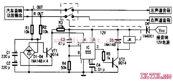
汽车音响增加扬声器的保护电路原理图
560x264 - 37KB - JPEG

三洋牌PT220M-2汽车音响电路原理图-广电电器
979x1319 - 282KB - JPEG

【图】汽车音响mp3发射器电路原理图其它电路
400x242 - 17KB - JPEG

索尼CXD-4280汽车音响主电路原理图_音响功
800x758 - 142KB - JPEG

低音炮电路原理图-+音响技术-+电子发烧友网
478x406 - 47KB - JPEG

组合音响电路原理与检修方法
1007x1491 - 90KB - JPEG

组合音响电路原理与检修方法
960x1516 - 181KB - JPEG

组合音响电路原理与检修方法
1007x1518 - 215KB - JPEG

【图】音响电路原理图集成音频放大 电路图 维
800x510 - 55KB - GIF

图3_索尼XVM-H6汽车音响显示板电路原理图
1651x1216 - 265KB - JPEG

555警车音响电路图-电子电路图,电子技术资料
512x366 - 59KB - JPEG

小型有源音响电路图-+音响技术-+电子发烧友网
512x579 - 10KB - GIF