由于IGBT是电压驱动型器件,需要的驱动功率值比较小,一般情况下可以不考虑驱动功率问题。但对于大功率IGBT,或要求并联运行的IGBT则需考虑驱动功率。IGBT栅极驱动功率

用于三相逆变器系统的隔离式IGBT栅极驱动器
507x309 - 29KB - JPEG

Amantys推出全新 IGBT 栅极驱动器-电源技术-
650x420 - 38KB - JPEG

Amantys推出全新 IGBT 栅极驱动器-电源技术-
650x326 - 49KB - JPEG

逆变电源的缓冲电路(抑制IGBT栅极-发射极直流
680x331 - 80KB - JPEG

【图】通过降低IGBT栅极-发射极电压来限制短
773x621 - 28KB - JPEG

LD33153(MC33153)IGBT栅极驱动器专用集成
800x800 - 54KB - JPEG

三相逆变电路中IGBT栅极过压导致IGBT损坏问
600x337 - 40KB - JPEG

【图】通过降低IGBT栅极-发射极电压来限制短
600x482 - 28KB - GIF

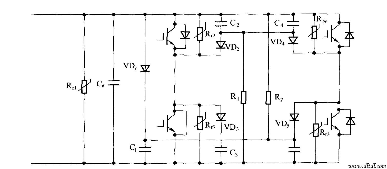
逆变电源的缓冲电路(抑制IGBT栅极-发射极直流
1509x661 - 87KB - JPEG

LD33153(MC33153)单IGBT栅极驱动器--新品发
675x675 - 142KB - JPEG

【HCPL-3120 2.0A 输出电流IGBT栅极驱动光电
799x736 - 65KB - JPEG

IGBT栅极驱动器FAN8800及其应用
457x301 - 19KB - GIF

【TLP250 晶体管逆变器的空调器IGBT栅极驱动
749x748 - 178KB - JPEG

AvagoACPL-P343(W343)IGBT栅极驱动方案 -
553x302 - 25KB - GIF

供应 IGBT栅极驱动光耦 HCPL-T250 原装正品
439x342 - 41KB - JPEG