IR 推出采用4×5 PQFN功率模块封装的25V IRFH4257D FastIRFET双功率MOSFET 为DC-DC应用提供高密度紧凑型解决方案 了解更多 © 1995 - 2014 International Rectifier

IR公司
449x316 - 41KB - JPEG

IR2104STRPBF IR2104S 全新原装 IR公司 SO
310x233 - 23KB - JPEG

IR2104STRPBF IR2104S 全新原装 IR公司 SO
269x310 - 15KB - JPEG

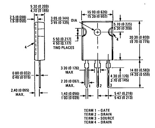
IR公司推出全新1200V超高速绝缘栅双极晶体管
1500x1200 - 174KB - JPEG

【【IR公司】驱动IC IR2181 电源驱动IC 直插集
692x372 - 69KB - JPEG

深圳市帝火科技开发有限公司生产供应ir-cut切
623x585 - 32KB - JPEG

如何使用NI Multisim和LabVIEW来设计和仿真有
892x629 - 123KB - PNG

【【原装IR公司】场效应管IRFP460 IRFP460A
540x449 - 53KB - JPEG

南海三诺数码办公设备有限公司生产供应佳能I
310x233 - 17KB - JPEG

【【原装IR公司】直插驱动IC 电源驱动集成电
210x210 - 9KB - JPEG

IR2110S SOP16 IR 低价出售公司现货原装 可直
800x600 - 107KB - JPEG

IR公司 IRF3808PBF 原装正品
718x487 - 48KB - JPEG

IR4427STR IR4427S 全新原装 IR公司 SOP-8
640x480 - 80KB - JPEG
![[图]供应拆机ir公司场效应管irf2807,维库电子市](http://www.dzsc.com/uploadfile/company/308775/b2010121119631292.jpg)
[图]供应拆机ir公司场效应管irf2807,维库电子市
640x480 - 62KB - JPEG
![[图]供应进口IR公司拆机IRFP250 ,维库电子市场](http://www.dzsc.com/uploadfile/company/308775/b201288205422639.jpg)
[图]供应进口IR公司拆机IRFP250 ,维库电子市场
800x449 - 61KB - JPEG