求ir2104驱动irf3205的H桥电路图,驱动飞思卡尔比赛电机的。 我来答 求ir2104驱动irf3205的H桥电路图,驱动飞思卡尔比赛电机的。 我来答 答题抽奖 首次认真答题后 即可获得

用IR2104驱动H桥经常烧坏上管
600x245 - 33KB - JPEG
H桥MOS管高低边驱动芯片IR2108工作不正常
423x170 - 12KB - JPEG

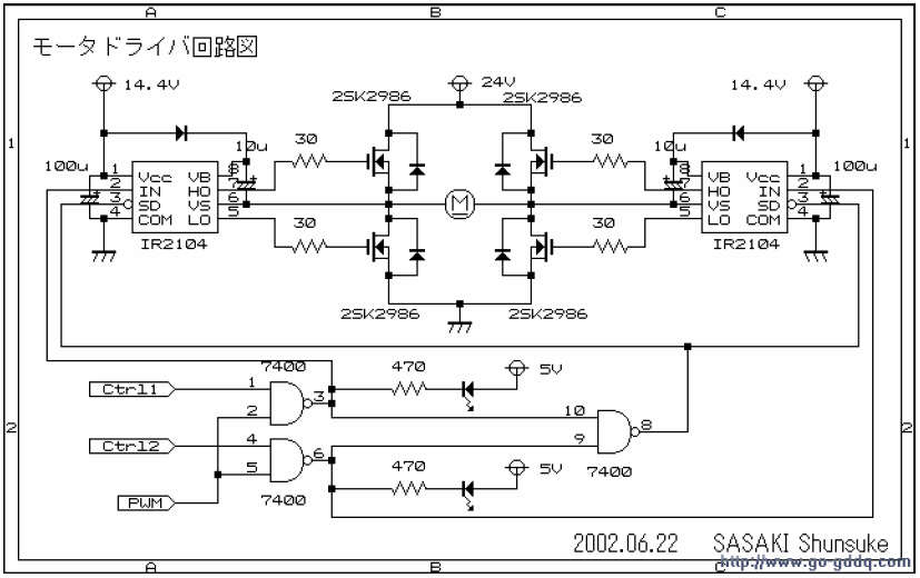
用IR2104 做的电机驱动全桥
827x520 - 31KB - GIF

ir2110驱动irf540全桥逆变电路,波形异常
600x357 - 30KB - JPEG
请教关于IR2110S驱动步进电机的问题 (amoBB
902x437 - 88KB - JPEG

智能灭火机器人硬件电路设计及实现
420x215 - 11KB - JPEG

基于AVR单片机的电动代步车控制器 - Atmel -
400x348 - 34KB - JPEG

ir2104的浮栅驱动问题
500x199 - 15KB - JPEG

关于h桥的mos管if540n一直爆掉的问题 (amoB
651x666 - 118KB - JPEG

我用ir2110驱动h桥电路
1022x456 - 235KB - PNG

ir2110驱动h桥直流电机的问题
910x580 - 70KB - JPEG

基于IR2110的H桥可逆PWM驱动电路应用 - 全
686x420 - 104KB - PNG

IR2103的H桥驱动电路 - IC应用电路图
912x506 - 32KB - JPEG

ir2101s驱动75nf75H桥问题 - 电路设计论坛 - 中
1300x507 - 93KB - PNG

ir2110驱动H桥逆变电路,在母线电压高于150V
600x434 - 52KB - JPEG