摘要:提出了一种新颖的零电流零电压开关(ZCZVS)PWM全桥变换器,通过增加一个辅助电路的方法实现了变换器的软开关。与以往的ZCZVSPWM全桥变换器相比,所提出的新颖

ZVS全桥变换器ISL6752_家电维修资料网_ww
814x488 - 42KB - JPEG

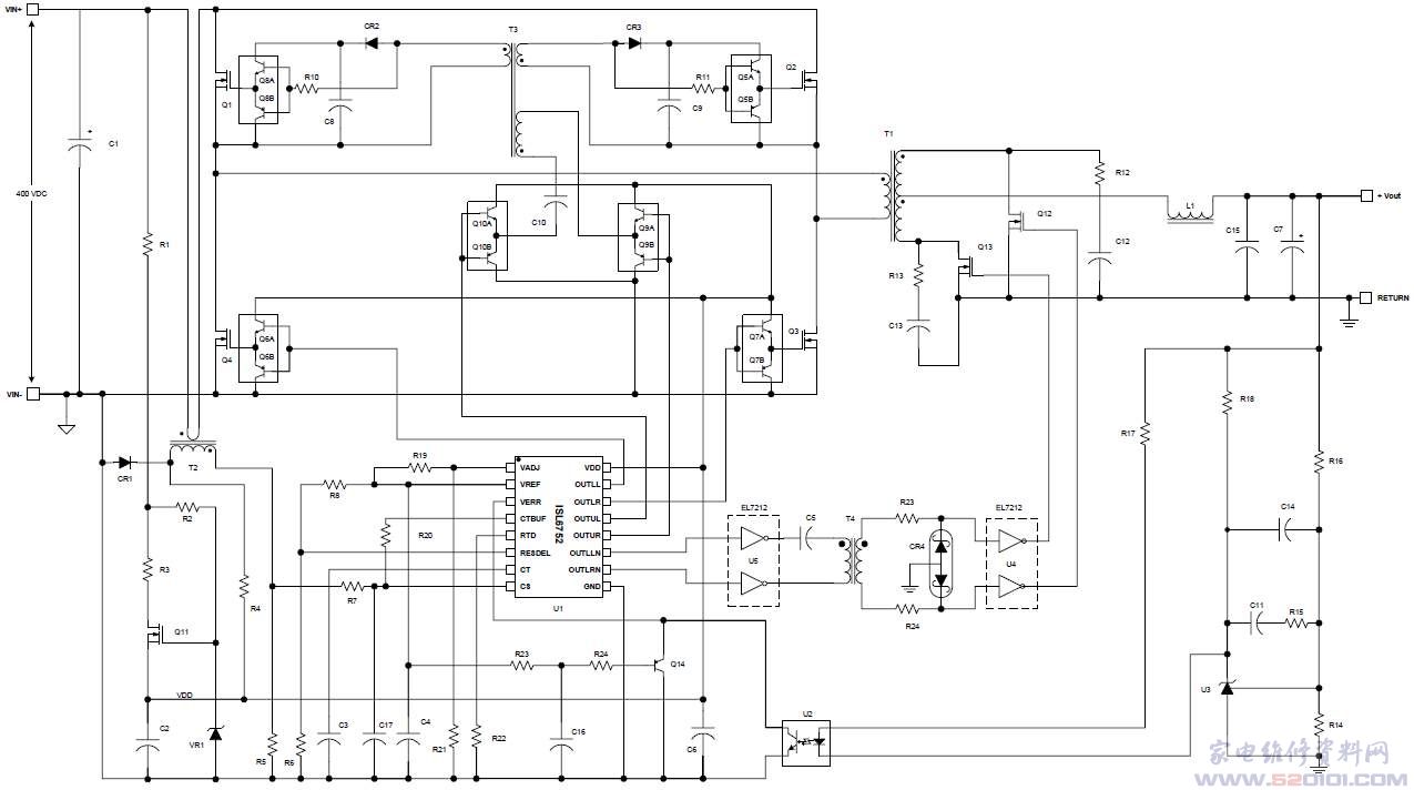
ZVS全桥变换器ISL6752_家电维修资料网_ww
1275x712 - 96KB - JPEG

一种新颖的ZVZCS PWM全桥变换器 - 贵州家电
336x339 - 41KB - GIF

一种新颖的ZVZCS PWM全桥变换器 - 贵州家电
317x448 - 33KB - JPEG

一种新颖的ZVZCS PWM全桥变换器 - 贵州家电
446x336 - 54KB - GIF

一种新颖的ZVZCS PWM全桥变换器 - 贵州家电
442x336 - 59KB - GIF

一种新颖的ZVZCS PWM全桥变换器 - 贵州家电
376x336 - 56KB - GIF

一种新颖的ZVZCS PWM全桥变换器 - 贵州家电
417x247 - 27KB - GIF

一种新颖的ZVZCS PWM全桥变换器 - 贵州家电
448x189 - 30KB - GIF

一种新颖的ZVZCS PWM全桥变换器 - 贵州家电
448x184 - 28KB - GIF

一种新颖的ZVZCS PWM全桥变换器 - 贵州家电
448x175 - 26KB - GIF

一种新颖的ZVZCS PWM全桥变换器 - 贵州家电
255x161 - 8KB - GIF

移相全桥ZVS DC\/DC变换器的极点配置自适应
352x180 - 6KB - GIF

并联均流高频开关电源的研究 - 贵州家电维修网
441x336 - 61KB - GIF

280W移相全桥软开关DC\/DC变换器设计-贵阳
373x182 - 15KB - JPEG