电路板常用的十种检测方法 hpf0412|2018-06-27 |举报 共享文档 共享文档是百度文库用户免费上传的可与其他用户免费共享的文档,具体共享方式由上传人自由设定。了解文档

全自动豆浆机的电路基本检测方法
541x372 - 88KB - JPEG

全自动豆浆机的电路基本检测方法
454x473 - 120KB - JPEG

全自动豆浆机的电路基本检测方法
582x765 - 241KB - JPEG

集成电路的检测方法
502x439 - 46KB - JPEG

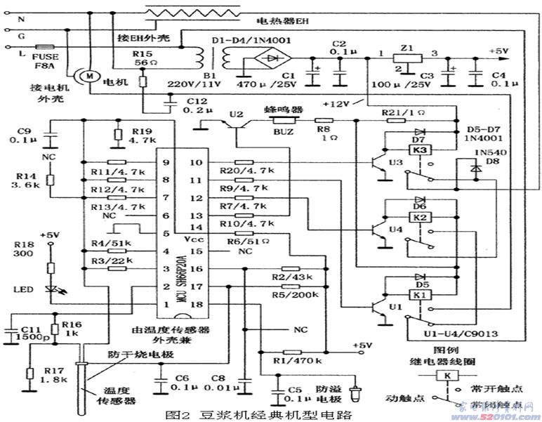
全自动豆浆机的结构及电路基本检测方法(图)_
772x601 - 89KB - JPEG

全自动豆浆机的结构及电路基本检测方法(图)_
514x369 - 37KB - JPEG

汽车电路检测的基本方法
381x694 - 20KB - JPEG

汽车电路检测的基本方法
397x567 - 19KB - JPEG

汽车电路检测的基本方法
640x326 - 16KB - JPEG

汽车电路检测的基本方法
390x283 - 11KB - JPEG

汽车电路检测的基本方法
221x266 - 6KB - JPEG

全自动豆浆机的结构及电路基本检测方法.doc
794x1123 - 76KB - PNG

电子电路的基本检测方法 -- 买书,卖书,收藏,开网
200x280 - 12KB - JPEG

《电子电路的基本检测方法》-图书价格:270-综
240x300 - 14KB - JPEG

全自动豆浆机的结构及电路基本检测方法.doc
141x200 - 13KB - PNG