总而言之,三极管接成图1的电路之后,它的作用就和一只与负载相串联的机械式开关一样,而其启闭开关的方式,则可以直接利用输入电压方便的控制,而不须采用机械式开关所常用

继电器控制电路_晶体管接近开关原理电路图分
471x455 - 18KB - JPEG

【图】声光控制照明开关原理图开关电路 电路
800x282 - 158KB - JPEG

【图】开关电源的控制原理框图电源电路 电路
561x276 - 49KB - JPEG

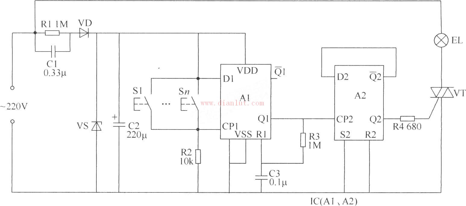
多地控制开关电路原理
1547x684 - 68KB - JPEG

μA7555构成的交流电定时开关控制器电路原理
900x389 - 44KB - JPEG

行程开关往返控制原理图 - 电路图分享 电工论
500x336 - 68KB - JPEG

谁有三个开关控制一个灯的电路图
496x416 - 27KB - JPEG

【图】声光控制照明灯开关的原理图开关电路
750x320 - 151KB - JPEG

单开关控制多路灯电路原理图
600x357 - 54KB - JPEG

三个开关控制一盏灯怎样接线
400x300 - 11KB - JPEG

开关量控制模块电路图
391x254 - 19KB - JPEG

两个开关控制一盏灯的原理图?
500x317 - 27KB - JPEG

汽车电扇恒温控制开关电路_电路图-原理图共享
643x284 - 90KB - JPEG

光控开光路灯自动控制电路原理 - 光电开关电子
661x311 - 36KB - JPEG

电动机控制自动开关电路图 - AutoCAD电气原理
820x694 - 56KB - PNG