中山市华星电源科技有限公司,地址是广东省深圳市中山市中山火炬开发区逸仙路新世纪工业园一栋四楼,联系方式是13632525670,0755-26996009,主要经营高频开关电源,

【电泳电源高频开关电源整流器200A\/250V】价
768x943 - 118KB - JPEG

高频脉冲开关电源\/高频整流器\/阳极氧化开关电源
500x500 - 15KB - JPEG

高频开关电源30V-1500A,调频开关整流电源 图
1200x1200 - 89KB - JPEG

高频开关电源\/高频整流器\/高频整流机\/高频脉冲
670x502 - 74KB - JPEG

鬼斧神工的ASEMI 开关电源整流桥品牌图片|鬼
700x700 - 34KB - JPEG

【图】开关电源交流输入及整流滤波基本电路图
519x301 - 72KB - JPEG

风冷电镀电源\/高频开关电源\/电镀整流器\/电解电
505x427 - 17KB - JPEG

航嘉+r90+300w电源-整流开关电路
500x375 - 49KB - JPEG

【华为开关电源】最新最全华为开关电源 产品
212x220 - 15KB - JPEG

AC220V转DC48V 50A整流器 高频开关电源-整
275x275 - 34KB - JPEG

【图】12v开关直流电源的电路电源电路 电路图
462x293 - 28KB - JPEG

星河电力专用高频开关电源,电力整流模块--星河
510x516 - 48KB - JPEG

高频开关电源,高频脉冲电源,电泳整流器 - 天骐
800x800 - 43KB - JPEG

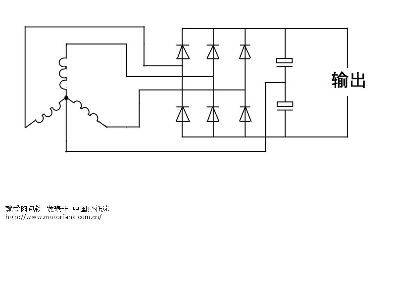
也改IBM电源作开关电源整流器! - 维修改装 - 摩
800x570 - 28KB - JPEG

普天洲际电源整流模块DMA14-48 50A 开关电
1000x750 - 73KB - JPEG