通过新浪微盘下载开关电源的原理与设计.pdf,微盘是一款简单易用的网盘,提供超大免费云存储空间,支持电脑、手机等任意终端的文件存储、同步和分享,是您工作、学习、生活

【图】高频变压器式开关电源原理图数字电路
650x400 - 146KB - JPEG

tl494开关电源电路图
769x599 - 252KB - JPEG

24v开关电源修改为15v开关电源
1400x759 - 482KB - JPEG

我这个开关电源是5v0
500x283 - 18KB - JPEG

开关电源原理图
794x562 - 71KB - JPEG

【图】飞利浦彩色电视机开关电源电路原理图电
625x362 - 72KB - JPEG
开关电源变器后的整流二极管并联电容电阻的作
554x386 - 56KB - JPEG

双电源自动切换开关作用原理详解
600x600 - 107KB - JPEG

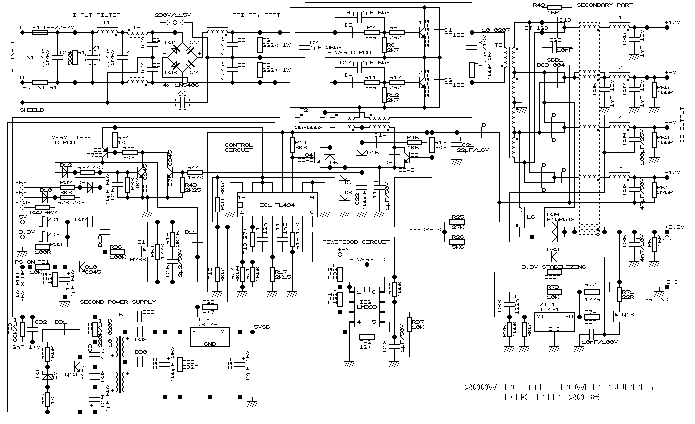
开关电源电路_电脑开关电源电路图
1803x1017 - 173KB - JPEG

开关稳压电源原理图
553x337 - 13KB - GIF

隔离式5V\/0.8A输出精密开关电源电路原理图_
465x240 - 52KB - PNG

开关电源电路原理图解析
960x540 - 49KB - JPEG

明伟12V开关电源电路原理分析
700x746 - 94KB - JPEG

24v开关电源原理和维修 - 技术解析 - 21ic电源
645x367 - 52KB - JPEG

开关电源电路原理(附原理图)
1392x850 - 47KB - GIF