毕业论文:单片机控制交通灯原理图及C语言程序毕业论文:单片机控制交通灯原理图及C语言程序Proteus仿真原理图:KeilC源程序:#include

谁有用51单片机控制交通灯的汇编程序和原理
500x278 - 37KB - JPEG

51单片机交通灯电路图与程序-求助基于单片机
1920x1080 - 176KB - PNG

利用51单片机设计的交通灯汇编原程序
643x386 - 95KB - JPEG

51单片机模拟交通灯 - 51单片机
800x488 - 109KB - JPEG

基于MC51单片机的交通灯硬件原理图
265x235 - 22KB - JPEG

51单片机交通灯控制系统 C语言设计源程序 原
640x446 - 133KB - JPEG

基于RTX51实时操作系统的交通灯控制系统的
945x596 - 77KB - JPEG

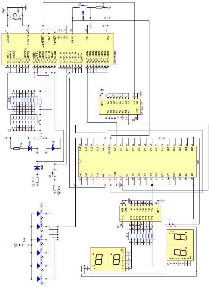
单片机交通灯控制毕业设计,解决方案
735x1009 - 106KB - JPEG

【急求】单片机交通灯设计(仿真原理图及汇编
500x488 - 52KB - JPEG

单片机实验--交通灯 - 51单片机
690x460 - 48KB - JPEG

急求用51单片机控制的交通灯程序
500x301 - 46KB - JPEG

51单片机交通灯控制实训 可实现 警灯 夜间等功
784x685 - 58KB - PNG

运用定时器中断写的交通灯 - 51单片机
690x420 - 113KB - JPEG

基于51单片机设计的交通灯汇编原程序
670x436 - 97KB - PNG

51单片机简单I\/O实验(交通灯控制)---Traffic ligh
713x587 - 179KB - JPEG