我们利用单片机设计了简单的交通信号灯模型, 该可以模拟实现交通信号灯的红 绿黄灯变换, 达到引导交通的效果。 控制器由一条支干道路和一条主干道路汇合 成十字路口,在

单片机C语言程序设计:LED 模拟交通灯 - 电子
668x367 - 69KB - JPEG

51单片机交通灯_基于单片机的交通灯_51单片
536x418 - 58KB - JPEG

基于单片机的交通灯设计_电子设计应用_电子
681x689 - 114KB - JPEG

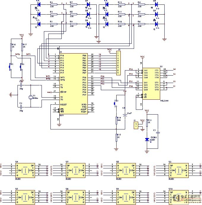
基于51单片机的交通信号灯系统.doc
141x200 - 10KB - PNG

《单片机C语言程序设计实训100例:基于AVR+
500x749 - 84KB - JPEG

交通灯pcb图 - 单片机论坛 - 中国电子技术论坛
869x473 - 25KB - PNG

单片机C语言程序设计实训例基于+PROTEUS
993x1404 - 43KB - PNG

单片机C语言程序设计实训电路100例-基于805
765x512 - 87KB - JPEG

PLC试验台JSPLC-4_实训成套设备_PLC可编
600x450 - 33KB - JPEG
湖北省中职单片机控制装置安装与调试大赛试题
920x900 - 4KB - PNG

太阳能交通信号灯系统设计 - ChinaAET电子技
400x409 - 32KB - JPEG

基于51单片机的交通信号灯系统_毕设论文.do
141x200 - 9KB - PNG

求 四引脚单片机温度显示,程序.急急
524x462 - 8KB - GIF

交通路口红绿灯自动控制器电路图_电路图之家
1613x1041 - 89KB - JPEG

供应传感器实验台-PLC单片机实验台-液压传动
800x604 - 57KB - JPEG